Arduino Mega Pro problém
Arduino Mega Pro problém
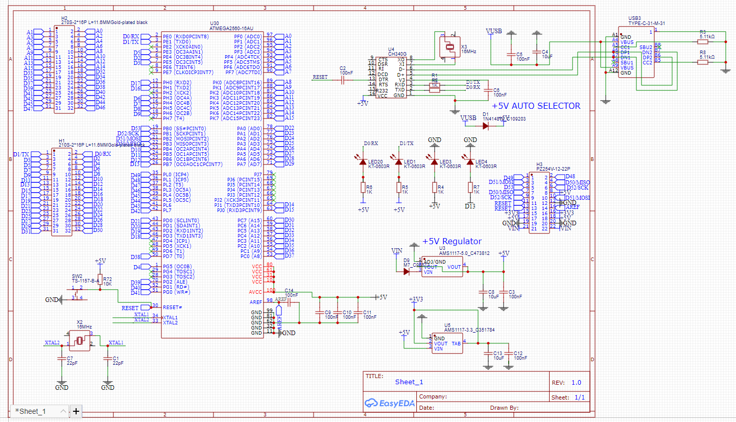
Dobrý den, potřeboval bych poradit. Navrhnul jsem klon arduina mega pro a po osazení a nahrátí bootloaderu jen bliká dioda L a arduino se nechce připojit k PC (nezobrazí se port). Zkoušel jsem stáhnout driver CH340 ale nepomohlo to. V příloze posílám fotku a schéma. Díky za každou radu.
Re: Arduino Mega Pro problém
X3 má být 12MHz, chybí ti tam 2x 22pF kondenzátor u X3 vůči zemi. U X2 tyto kondenzátory máš. Viz https://static.efetividade.net/img/ch34 ... -34852.pdf
Re: Arduino Mega Pro problém
Ještě koukám na tu desku, co by se s tím dalo udělat... nevím jaké jsou tvé pájecí schopnosti... ten krystal půjde krásně ven horkým vzduchem, ale při troše šikovnosti a pomocí olovnatého cínu ho dostaneš ven i mikropájkou - naplácáš tam hromadu olovnatého cínu, a střídavě ho nahřívat hrotem z obou stran a až se prohřeje, tak ho shrábneš z desky dolů. Bylo by super kdyby piny 2 a 4 X3 byly připájeny na GND ... pak by šlo krásně tam ty 22pF připájet přímo na X3... jinak se ta GND bude muset někde v příhodné vzdálenosti vyškrábat do nepájivé masky ... popř dodrátovat propojkou
Re: Arduino Mega Pro problém
Díky moc za radu. Dneska jsem koupil 12MHz smd krystal, nesehnal jsem úplně stejný ale zkusím ho tam napájet. Jak říkáš ohřeju ho horkým vzduchem a vyměním. Piny 2 a 4 X3 bohužel připájeny na GND nejsou, ale vede hned vedle (jak je vidět na fotce), tak to proškrábnu a připájím na to.
Re: Arduino Mega Pro problém
Já děkuji, že z tebe nemusíme tahat informace jak z chlupaté deky 
K návrhu DPS : Je doporučeno mít GND jako co největší možnou spojitou plochu, stíní rušení a odvádí/rozvádí teplo po DPS, umí pak protáhnout sebou součet všech proudů a když jsem ještě leptal, tak to i šetřilo roztok
Hodně štěstí a pevnou ruku
K návrhu DPS : Je doporučeno mít GND jako co největší možnou spojitou plochu, stíní rušení a odvádí/rozvádí teplo po DPS, umí pak protáhnout sebou součet všech proudů a když jsem ještě leptal, tak to i šetřilo roztok
Hodně štěstí a pevnou ruku
Re: Arduino Mega Pro problém
Podařilo se
. Deska už se normálně připojí k PC a vše funguje. Posílám foto jak to dopadlo 
Re: Arduino Mega Pro problém
Pěkná a čistá práce. Ani nejde poznat, které dva jsi tam dopájel 
Re: Arduino Mega Pro problém
Hele tohle byl můj první návrh takovéhoto klonu a chtěl jsem vyzkoušet zdali bude fungovat. Chtěl bych potom ten návrh použít na ovládání krokových motorů skrze displej. Ten návrh jsem dělal proto, že to pak chci mít na jednom kusu PCB a ne jich mít několik spojených dohromady.
Re: Arduino Mega Pro problém
Jsme na tom hodně podobně, nemám rád moduly propojené jako vrabčí hnízdo a našlapané do krabičky. Raději navrhnu PCB a co jde nebo na co si troufnu raději osadím na desku, která minimalizuje riziko potíží z propojování.
Kdo je online
Uživatelé prohlížející si toto fórum: Žádní registrovaní uživatelé a 1 host