Stránka 1 z 1
Kondenzator
Napsal: 15 říj 2017, 00:47
od zajicjarda
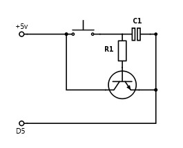
Potřeboval bych poradit s výpočtem kapacity kondenzatoru. Mam k arduinu připojen určitý el. obvod, v momentě sepnutí spínače (jedná se o spojení dvou kontaktů, které není 100% po celou dobu) se nabije kondenzator a zároveň přes odpor 10K jde proud do báze tranzistoru. Tím prochází tranzistorem stabilní proud do arduina. Možná je toto zbytečně složité zapojení, a stačil by kondenzator jen u spínače. Mám však strach, že by kapacita (a tím i velikost) byla moc veliká aby udrželi stabilní proud po dobu asi 1s.

- schema.jpg (6.72 KiB) Zobrazeno 3531 x
Re: Kondenzator
Napsal: 15 říj 2017, 21:00
od petan
Proč to řešíš takhle a ne programem Arduina?
Pokud není spojení kontaktů 100% použil bych tranzistor pouze k zesílení signálu, ale časování bych už řešil programově. Případně hlídal náběžnou hranu signálu.
Re: Kondenzator
Napsal: 15 říj 2017, 21:19
od zajicjarda
Jde o to, že program čeká a impulz ze 4 míst. Po přijetí jednoho signálu provede výpočet a dle něho rozsvítí sadu LED. Jedna ze vstupních veličin se postupně mění a tím by se měnil i výsledek vypočtu. Musel bych nějak zadat, že po první detekci signálu, nesmí po dobu x příjímat signál ze stejného místa.
Re: Kondenzator
Napsal: 16 říj 2017, 07:45
od petan
Co takhle udelat, ze pri nabezne hrane signalu se nactou veliciny, provede se vypocet, rozsviti se ledky a "zablokuje" se vstup treba na ty 4 sekundy? Po nastavenem case se vstup "odblokuje" a ceka se opet na nabeznou hranu signalu.
Hoď sem nějakej kus kódu.
Re: Kondenzator
Napsal: 23 říj 2017, 19:34
od zajicjarda
Trožku jsem přemejšlel a pravděpodobně by se nemělo stát že dojde dvakrát za sebou ke stlačení problemového spínače.
Přidám jednu novou proměnnou. Po stlačení spínače a provedení výpočtu, se změní hodnota proměnné na 1 a po stisku jineho na 0. Výpočet proběhne jen jeli proměnná 0.