Kamerový systém pomocou Arduina, kamery a PIR senzoru
Pravidla fóra
Tohle subfórum je určeno pro konzultaci ucelených nápadů, popřípadě řešení komplexnějších projektů, které opravdu není možné rozdělit na menší části.
Většinu problémů jde rozdělit na menší a ptát se na ně v konkrétních subfórech.
Tohle subfórum je určeno pro konzultaci ucelených nápadů, popřípadě řešení komplexnějších projektů, které opravdu není možné rozdělit na menší části.
Většinu problémů jde rozdělit na menší a ptát se na ně v konkrétních subfórech.
Re: Kamerový systém pomocou Arduina, kamery a PIR senzoru
Otázka ešte, má niekto skúsenosti s LabView ? Túto apku musím naprogramovať cez toto prostredie.
Re: Kamerový systém pomocou Arduina, kamery a PIR senzoru
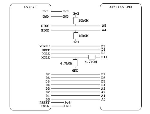
Poprosím Vás o kontrolu zapojenia, či som to pochopil správne. Vid. príloha.
Re: Kamerový systém pomocou Arduina, kamery a PIR senzoru
Nejsem schopen louskat ten příšernej fritzing, ale i při zběžném pohledu soudím, že napájet kameru přes rezistor 10k nebude asi nejslepší řešení.
Re: Kamerový systém pomocou Arduina, kamery a PIR senzoru
Tak ten druhy obrazok tej schemy je vsade na internete, tak asi to je v poriadku riesenie nie ?
Re: Kamerový systém pomocou Arduina, kamery a PIR senzoru
Nějak zásadně jsem to schéma nezkoumal, ale nesedí mi to připojení Reset na Vcc. Tedy ne takto natvrdo. Ten modul kamery by se takto cyklicky resetoval. Zřejmě je to míněno tak, že reset se prování svedením pinu na Vcc, např. tlačítkem a odporem.
Re: Kamerový systém pomocou Arduina, kamery a PIR senzoru
https://www.instructables.com/id/OV7670 ... capture-T/
Tady je stejne schema a vedle i popis pinu, kde pisou RESET Input Reset (Active low)
Ono je spousta chipu, ktere se resetuji kratkym uzemnenim resetu, ktery je jinak pullupem pripojeny k Vcc - napriklad Atmega328, na ktere je postavene Arduino, abych nechodil pro priklad prilis daleko
Tady je stejne schema a vedle i popis pinu, kde pisou RESET Input Reset (Active low)
Ono je spousta chipu, ktere se resetuji kratkym uzemnenim resetu, ktery je jinak pullupem pripojeny k Vcc - napriklad Atmega328, na ktere je postavene Arduino, abych nechodil pro priklad prilis daleko
Re: Kamerový systém pomocou Arduina, kamery a PIR senzoru
No von Axamith má v principu pravdu. Samotný čip má podle datasheetu Reset aktivní v HIGH. Je otázka, jaký modul ta omalovánka má vlastně představovat. Pokud jsou tam další obvody, tak budiž, pokud ne, tak je na tom obrázku nejspíš nesmysl. I když je toho plno na webu, to ještě neznamená, že je to dobře. Hlouposti se tam šíří nejlépe, to už sem si ověřil mnohokrát.
Bude to chtít hodně úsilí aby to nedopadlo:
Bude to chtít hodně úsilí aby to nedopadlo:
Ale mám obavy, že malování schémat ve fritzinku to asi nezachrání.a keď nie tak o rok
Kdo je online
Uživatelé prohlížející si toto fórum: Žádní registrovaní uživatelé a 1 host