Servo - Správné použití optočlenů ???

zz912
Příspěvky: 52
Registrován: 28 črc 2018, 13:49

Re: Servo - Správné použití optočlenů ???

Příspěvek od zz912 » 17 pro 2018, 17:26

Dnes je sice 17 prosince, ale já mám z pochopení módu sink a source už Vánoce dnes. Dříve jsem nechápal, jak vůbec mohou fungovat zapojení s PullUp rezistory, ale dnes mi všechno do sebe zapadá. Velmi děkuji za fundované objasnění.

Každopádně abych neotravoval s tím, co si mohu sám zjistit, tak jsem si udělal takový experiment se dvěma LED diodama na nepájivém zdroji,
protože mě zajímalo co se bude dít, než naběhne Arduino.

Kód: Vybrat vše

void setup() {
  // put your setup code here, to run once:
delay(3000); // simulovani dlouheho nacitani velke knihovny 
pinMode(8, OUTPUT);
pinMode(9, OUTPUT);
digitalWrite(8, HIGH); // na pinu 8 je zapojená led dioda D8 -> GND, LED se rozne
digitalWrite(9, LOW);  // na pinu 9 je zapojená led dioda 5V -> D9, LED se rozne
delay(3000);
}

void loop() {
  // put your main code here, to run repeatedly:
  // obe ledky budou soucasne blikat
digitalWrite(8, LOW);   //LED zhasne
digitalWrite(9, HIGH);  //LED zhasne
delay(2000);

digitalWrite(8, HIGH); //LED se rozne
digitalWrite(9, LOW);  //LED se rozne
delay(2000);
}
Závěr:
Při nabíhání Arduina v době "delay(3000);" nesvítila ani jedna LED dioda a nemělo na vliv, jaký stav byl na výstupech, než jsem Arduino resetoval.

jankop
Příspěvky: 1059
Registrován: 06 zář 2017, 20:04
Bydliště: Brno
Kontaktovat uživatele:

Re: Servo - Správné použití optočlenů ???

Příspěvek od jankop » 17 pro 2018, 18:23

S Arduinem si hraji, aniž bych se příliš snažil studovat 450 stránkový datasheet MCU ATMega328p. Ale tuším, že výrobce, jak je obvyklé, přesně popisuje do jakého stavu se dostanou interní obvody a výstupy v případě resetů (ty mohou být různé).
A obvyklé je, že se po resetu vstup/výstupy nastaví jako input. A tím snadno vysvětlíš, proč LED hned po resetu nesvítily. Důvod je nasnadě, než se kontroly ujme program uživatele, tak by mohly nějaké vnější zdroje signálu, třeba čidla, být poškozena nebo naopak mohla poškodit výstupy procesoru.
Až potud je to naprosto jasné. Ale už ne tak zcela transparentní je, co udělat s v/v, které nepoužívám. Nechat ho jako vstup nebo ho přepnout jako výstup? Ale to je na další povídání.
Tvůj experiment byl precizní, jen ten závěr mi připomněl jeden starý vtip o sovětském vědci, zkoumajícím blechu. :D

zz912
Příspěvky: 52
Registrován: 28 črc 2018, 13:49

Re: Servo - Správné použití optočlenů ???

Příspěvek od zz912 » 17 pro 2018, 18:46

Tvůj experiment byl precizní, jen ten závěr mi připomněl jeden starý vtip o sovětském vědci, zkoumajícím blechu.
Když už jste to nakousnul, tak bych poprosil i o dokousnutí.

jankop
Příspěvky: 1059
Registrován: 06 zář 2017, 20:04
Bydliště: Brno
Kontaktovat uživatele:

Re: Servo - Správné použití optočlenů ???

Příspěvek od jankop » 17 pro 2018, 18:58

Teď si nejsem úplně jist, co jsem nakousl a nedopověděl.
No z principu by ty LED neměly svítit. Ale vyzkoušet si to není taky marné. Na druhé straně člověk si nikdy nemůže být jist, co mu tam compiler podstrčí.

zz912
Příspěvky: 52
Registrován: 28 črc 2018, 13:49

Re: Servo - Správné použití optočlenů ???

Příspěvek od zz912 » 17 pro 2018, 19:05

Zajímá mě ten vtip o tom sovětském vědci.

petan
Příspěvky: 358
Registrován: 23 črc 2017, 10:19
Kontaktovat uživatele:

Re: Servo - Správné použití optočlenů ???

Příspěvek od petan » 17 pro 2018, 19:07

Jankop: s tím NTP/PTC máš pravdu. Popletl jsem to.

Každopádně, pokud chceš jistit nějakej modul, tak bych to spíš jistil u zdroje. Klidně obyčejnou tavnou pojistku (nebo autopojistkou) s paralelně zapojenou diodou. Jednoduše nějakej "rozvaděč", kde bude zdroj (třeba už usměrněnej a stabilizovanej, aby si nemusil řešit napájení na každé desce), hodně pojistek a svorek s vývody. Budeš tím pádem jistit i kabely k modulům - co když nastane zkrat před modulem? Zčoudne ti kabel.

Galvanické oddělení znamená, že je oddělené všechno. I napájení. Takže je sice pěkný, že použiješ optočlen, ale když más spojený +, nebo - je to víceméně k ničemu. To spíš můžeš řešit blokovacíma kondenzátorama ruchy na nějaký vstupy, nebo napájení. Ale tohle si myslím, že bude k ničemu.

Sice se ve vláčkách nějak extra nevyznám a nemám nic proti vláčkařům. kdybych na to měl místo a čas, tak by mě asi taky bavilo s tím laborovat. Ale kolikrát (samozřejmě neplatí to globálně) je vláčkař elektrikář asi jako instalatér. Ví, že tam nějak ty dráty musí jít ale to je asi tak všechno. Pak vznikají krabice plný různých svorek, propojů, drátů na polystyrenu a kdo ví co ještě. Vlastně se teď ani nedivím, že je požadavek na jištění všeho pojistkami :D
Přílohy
pic.png

jankop
Příspěvky: 1059
Registrován: 06 zář 2017, 20:04
Bydliště: Brno
Kontaktovat uživatele:

Re: Servo - Správné použití optočlenů ???

Příspěvek od jankop » 17 pro 2018, 19:24

Ten sovětský vědec? Zkrácená verze - Utrhne bleše nohu a řekne:"Skoč!" a blecha skočí. A dělá to tak dlouho, až je blecha bez nohou a už neskočí. A vědec si napíše do deníčku:"Když bleše utrhneme všechny nohy, tak ohluchne"

zz912
Příspěvky: 52
Registrován: 28 črc 2018, 13:49

Re: Servo - Správné použití optočlenů ???

Příspěvek od zz912 » 17 pro 2018, 20:58

to: petan
Děkuji za obrázek. Bohužel toto zapojení by vneslo do kolejiště ještě více kabelů, než tam je a já bych se spíše chtěl těch drátů postupně zbavovat. Dnes je trend spíše vést silovinu a nějakou sběrnici, na kterou se vše chytá.
Budeš tím pádem jistit i kabely k modulům - co když nastane zkrat před modulem? Zčoudne ti kabel.
Co mám načteno, tak do vláčků nepatří nic nad 3A. Tudíž bych měl hlavní zdroj, který zvládne 5A a na něm 3A pojistku. Z toho zdroje bych vedl dva dostatečně silné kabely, které zvládnou přenášet proud 3A, tak aby při jejich zkratu nevznikalo žádné teplo. Z této "silové sběrnice" si budou brát jednotlivé moduly proud. Ovšem jelikož některé moduly nejsou nezbytně nutné pro funkčnost kolejiště, tak mají na sobě pojistky. V případě poruchy jednoho modulu dojde k jeho znefunkčnění a zbytek kolejiště jede dál.

Ono všeobecně digitální vláčkařina je svět sám pro sebe. Používají sběrnici DCC, která umí po sobě (2 vodiče J+K) vést silovinu a signál zároveň. Zpětný signál z dekodéru do centrály řeší krátkodobým přetížením sběrnice. Když jsem to začal studovat, tak jsem na koukal jak bagr na tvrdou zem. Holt koleje pro mašinku jsou jen 2 vodiče a ještě k tomu na ... , co se týče spolehlivosti přenosu proudu kolej-kolečko. Tudíž některé zásady, které platí v obyčejném světě tu neplatí. Například zde není označení Master-slave, ale řeknou, že mají Centrálu-dekodér.

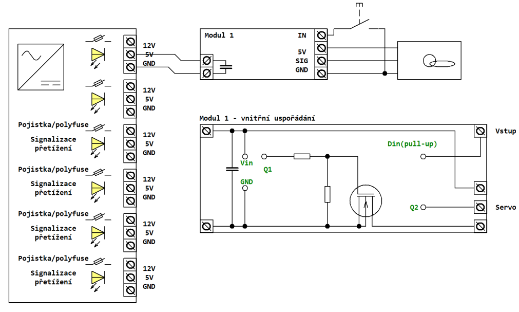
Co se týče těch optočlenů, tak děkuji za připomínku, že mi vlastně nic neřeší z hlediska galvanického oddělení. Původně jsem se chtěl napojit na tu sběrnici, co tam je, ale rozhodl, jsem se, že si tam dám vlastní zdroj 12V stejnosměrných. Snažím se tady vždy na fóru upozornit, že ty optočleny jsem si dal do zadání, aby někdo tuto mou úchylku nepovažoval za nutnost. Mám fóbii z vyhořelých Arduin, kterých mám doma habaděj.

Na obrázku mě zaujala indikace přetížení. Jak by byla řešená?

Uživatelský avatar
gilhad
Příspěvky: 860
Registrován: 07 bře 2018, 11:22

Re: Servo - Správné použití optočlenů ???

Příspěvek od gilhad » 17 pro 2018, 22:59

Možností je spousta. Jednoduchá detekce je vzít LEDku, do série s ní dát omezovací odpor, který do ní nepustí větší proud než snese (radši výrazně menší), tedy pokud to třeba dáváš do 5V větve a LEDka zvládá 20mA podle datasheetu, tak při 5mA bude svítit taky a docela dost, 5V/5mA=1kOhm.

Tuhle LEDku s odporem dáš paralelně k pojistce, anodu na + pól zdroje, katodu přez odpor na svorky k napájení obvodu (vláčku).

Pokud je všechno v pořádku, tak pojistka má odpor nula nula nic, teče přez ní třeba 2A a napětí na ní je tedy 2A x 0.00nicOhm = 0.00nic V. To samé napětí je na soustavě LED+odpor, 0V je málo, LED nesvítí.

Pak spadne hřebík přez koleje, proud jak blázen, pojistka shoří, hřebík nikoli. LEDka je přez 1kOhm a jeden hřebík připojená k zemi, LEDkou teče 5mA a svítí, hřebíkem teče 5mA, ale ten si toho ani nevšimne, zdrojem taky teče 5mA a nijak ho to netrápí. Zvedneš tedy hřebík, obvod se rozpojí, už není nic přetíženého, takže žádný proud neteče, LEDka nesvítí.

Hmmm, sice přesně podle popisu, ale šlo by to ještě vylepšit.

Takže ty LEDky s odporem vezmeme rovnou 3 a jednu (třeba zelenou) dáme mezi + a - zdroje, druhou (červenou) přez pojistku a třetí (žlutou) přez svorky ke kolejišti.

V normálním stavu svítí zelená, protože zdroj funguje a žlutá, protože kolejiště je napájené, červená nesvítí, protože pojistku jsi mezitím už vyměnil za novou.

Co čert nechce, zase ti tam spadne hřebík. Pojistka shoří, rozsvítí se červená, žlutá naopak zhasne (zkratovaná hřebíkem nemá napětí a tedy ani proud). Zelená svítí, protože zdroj jede a dodáva 5mA do červené LEDky (a hřebíku v šeho za tím) a dalších 5mA do té zelené - celkem 10mA, zvládá levou zadní.
Zvedneš hřebík, červená pohasne (ale ne zcela) a chabě se rozsvítí i žlutá (inu 2x 1kOhm znamená 2.5mA pro každou z nich - no ještě o něco míň, protože na diodách je úbytek napětí, ale trošku to svítit bude) - pokud svítí červená i žlutá, tak je pojistka spálená, ale vláček už není ve zkratu - lze vyměnit pojistku a netřeba hledat další hřebík.

Pokud nesvítí žádná, ani zelená dioda, tak je to nejspíš bez napětí a buď je potřeba zdroj zapnout, nebo vyměnit. Pokud nesvítí zelená, ale nějaká jiná ano, tak zelená z neznámého důvodu shořela. (ono teda tam může vyhořet cokoli, pokud nešika upustí do kolejiště odizolovaný drát s 240V střídavými, nebo tdo toho migne blesk, či jiná neobvyklá situace. Ale většinou by to mělo být odolné proti běžným chybám obsluhy, jako zkratované dráty, hřebíky v kolejišti a tak.)

Teda tohle počítá s tím, že v případě zkratu/přetížení takového, že vyhoří pojistka je napájený systém ve stavu, kdy mu následné napájení měkkým zdrojem 0-2.5V (ty diody s odpory navíc fungujou jako dělička napětí) s limitem na odběr 5mA už víc ublížit nemůže ...

(Ono teda zcela přesně bys měl brát ještě v úvahu (protože jsi hloubavý typ), že pokud LEDkou teče proud a tato svítí, tak je na ní přibližně konstatní úbytek napětí a to taky zanést do výpočtů, ale tím se na siuaci nic nezhorší, právě naopak, takže pro stručný nástin chování stačí i takto zjednodušený odhad. Ve skutečnosti tam při vypálení pojistky potečou proudy ještě menší a ten zdroj se bude chovat jako ještě měkčí, tkaže přeživší soušástky nejspíš stejně nedostanou dost výkonu na to, aby vůbec mohly cosi dělat. )

zz912
Příspěvky: 52
Registrován: 28 črc 2018, 13:49

Re: Servo - Správné použití optočlenů ???

Příspěvek od zz912 » 26 pro 2018, 13:24

Tak jsem na základě vašich příspěvků v tomto vláknu své schéma upravil, včetně zadání.

- po stisknutí tlačítka S3, nebo S4 servo udělá svůj cyklus a odepne se od napětí
- mám k dispozici 12V stejnosměrných
- chci své arduino co nejvíce ochránit před špatnou elektroinstalací tohoto modulu
- stabilizátory L78XX se mi válí v šuplíku a chci je využít
Vlacky_strom-schema-002_schem.PNG
Zatím jsem si objednal součástky, abych si mohl funkčnost ověřit na nepájivém poli.
Nejvíce jsem zvědav, jestli bude mít vliv opotčlen U3 PC817 na signál pro servo.
Nemám bohužel osciloskop, abych to nějak ověřil, ale vycházím z předpokladu,
že na desce hobby CNC stroje, jsou taktéž tyto optočleny použity. V počítači nastavuji
rychlost komunikace po paralelním portu (na kterém je optočlen zapojen)až 35kHz a bez problému.
U serva se pohybujem s pulzem od 0.5ns do 2.5ns jednou za 20ms.
Když vezmu ten horší případ, tak 0.5ns odpovídá frekvenci 1/0.0005s=2000Hz=2kHz.
Myslím si tím pádem, že bych měl být na straně bezpečnosti minimálně o tři řády.

Pak se vrhnu na kreslení elektroschematu.

Odpovědět

Kdo je online

Uživatelé prohlížející si toto fórum: Žádní registrovaní uživatelé a 1 host