Existuje modul s dvou kanálovým relé?
Existuje modul s dvou kanálovým relé?
Mám na mysli jedno relé, které by spínalo/přepínalo současně dva okruhy. Snažím se to najít, ale zatím mi z toho pořád lezou klasické vícekanálové moduly, kde je pro každý kanál samostatné relé. Mě by se hodilo mít to tak, abych "na jeden drát přepínal dvě vedení". Potřebuji to jako křížový přepínač pro schodišťák, kdy by arduino simulovalo třetí přepínač. Zatím to řeším tak, že obě relé jsou řízena samostatnými piny, které nastavuji najednou. Vím, že by to šlo řešit třeba prodrátováním ovládacích vstupů u obou relé, ale uvažoval jsem, zda existuje i ta možnost s více kanály v jednom relé.
Díky
Pb
Díky
Pb
Re: Existuje modul s dvou kanálovým relé?
Existují relé s jedinou cívkou, kotvou a několika přepínacími kontakty. Většinou však nemají optron, takže vstup doplnit spínacím tranzistorem, případně optronem. Například https://www.hadex.cz/l613a-rele-htl-2c- ... 230vac10a/
Re: Existuje modul s dvou kanálovým relé?
Pro milovníky miniatur doporučuji bistabilní relé http://www.hezkyden.cz/shop/miniaturni- ... rele-12-v/
K přepnutí do opačného stavu mu stačí krátký impuls, takže má minimální vlastní spotřebu.
K přepnutí do opačného stavu mu stačí krátký impuls, takže má minimální vlastní spotřebu.
Re: Existuje modul s dvou kanálovým relé?
Ahoj, díky za tipy. Našel jsem díky tomu něco, co by v principu odpovídalo https://hadex.cz/l622b-rele-cy115f-2c-1 ... kt-250v8a/, akorát je to nedostupné...
Zeptám se ještě obecně: jak se těmto mechanickým relé líbí, že jsou dlouhodobě sepnuty? To, že jsou sepnuty nutně nemusí znamenat, že na ovládaných pinech něco teče.
To bistabilní relé se mi celkem líbí, ale ovládání pulsem mi tak úplně neodpovídá celkově zamýšlené koncepci ovládání. Viděl jsem na netu nějaká zapojení, ale moc jsem ji nerozumněl, tak jsem to zatím nechal na původním zapojením s https://dratek.cz/arduino/122113-rele-m ... duino.html (podobné)
Zeptám se ještě obecně: jak se těmto mechanickým relé líbí, že jsou dlouhodobě sepnuty? To, že jsou sepnuty nutně nemusí znamenat, že na ovládaných pinech něco teče.
To bistabilní relé se mi celkem líbí, ale ovládání pulsem mi tak úplně neodpovídá celkově zamýšlené koncepci ovládání. Viděl jsem na netu nějaká zapojení, ale moc jsem ji nerozumněl, tak jsem to zatím nechal na původním zapojením s https://dratek.cz/arduino/122113-rele-m ... duino.html (podobné)
Re: Existuje modul s dvou kanálovým relé?
Při dodržení ovládacího napětí může být relé sepnuté neomezeně, jen spotřebovává energii a mění ji na teplo.
Tento nedostatek nemá bistabilní relé, které jen překlopí do opačné polohy a zůstává tak bez spotřeby energie. Stálé napětí na cívce mu ale nevadí. Lze ho ovládat střídavým připojením napětí na jednu ze dvou cívek nebo změnou polarity napětí na jedné z nich.
Tento nedostatek nemá bistabilní relé, které jen překlopí do opačné polohy a zůstává tak bez spotřeby energie. Stálé napětí na cívce mu ale nevadí. Lze ho ovládat střídavým připojením napětí na jednu ze dvou cívek nebo změnou polarity napětí na jedné z nich.
Re: Existuje modul s dvou kanálovým relé?
O.K. děkuji za vysvětlení.
Re: Existuje modul s dvou kanálovým relé?
Ahoj,
dovolím si toto téma znovu otevřít.
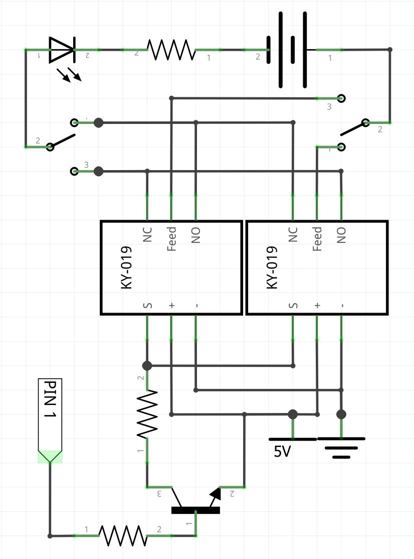
V tuto chvíli ten křížový přepínač realizuji pomocí tohoto modulu (https://dratek.cz/arduino/122113-rele-m ... duino.html). Vzhledem k relativně vysokému spínacímu proudu (<80mA) to mám zapojené na dva Piny u Ard, které ovládám spolu. Na ovládání pomocí jednoho pinu jsem použil NPN tranzistor, kde ještě musím správně vypočítat odpory, aby v závěrném směru do relé nic neprocházelo. Ještě jsem uvažoval použít to polovodičové relé, ale to je bohužel jenom spínač a ne přepínač. Takže na ten křížový přepínač bych musel použít modul se 4 ks (https://dratek.cz/arduino/122146-ssr-re ... level.html), kde by byly propojené dvojice kanálů z nichž jedna by byla buď přes NOT hradlo (nebo třeba NAND,NOR) nebo přes PNP tranzistor připojena k ovládacímu Pinu a druhá napřímo. Co vy na to?
Předem díky za konzultaci.
dovolím si toto téma znovu otevřít.
V tuto chvíli ten křížový přepínač realizuji pomocí tohoto modulu (https://dratek.cz/arduino/122113-rele-m ... duino.html). Vzhledem k relativně vysokému spínacímu proudu (<80mA) to mám zapojené na dva Piny u Ard, které ovládám spolu. Na ovládání pomocí jednoho pinu jsem použil NPN tranzistor, kde ještě musím správně vypočítat odpory, aby v závěrném směru do relé nic neprocházelo. Ještě jsem uvažoval použít to polovodičové relé, ale to je bohužel jenom spínač a ne přepínač. Takže na ten křížový přepínač bych musel použít modul se 4 ks (https://dratek.cz/arduino/122146-ssr-re ... level.html), kde by byly propojené dvojice kanálů z nichž jedna by byla buď přes NOT hradlo (nebo třeba NAND,NOR) nebo přes PNP tranzistor připojena k ovládacímu Pinu a druhá napřímo. Co vy na to?
Předem díky za konzultaci.
Re: Existuje modul s dvou kanálovým relé?
Nějak mi uniká pointa vašeho projektu. Křížové spínače jsem naposled potkal před padesáti lety ve škole a matně si pamatuji, že základem byly dva z různých míst nezávisle ovládané přepínače. Jaký smysl má dvojice relé a co je bude ovládat? Přiznám se, že skoro všechna osvětlovací tělesa ovládám dálkově, takže v drátech snadno zabloudím. Výše uvedené polarizované relé s dvojicí přepínacích kontaktů by možná projekt značně zjednodušilo.
Re: Existuje modul s dvou kanálovým relé?
Tady pozor, pokud tímto sepneš DC proud, tak dokud jím bude procházet, "neodpadne" i kdybys to odpojil od napájení. Při AC tento problém není, SST relé "odpadne" při průchodu nulou.
Re: Existuje modul s dvou kanálovým relé?
Díky za reakci. Je vidět, že jsem původní účel totálně zamatlalanalytik píše: ↑16 úno 2023, 13:51Nějak mi uniká pointa vašeho projektu. Křížové spínače jsem naposled potkal před padesáti lety ve škole a matně si pamatuji, že základem byly dva z různých míst nezávisle ovládané přepínače. Jaký smysl má dvojice relé a co je bude ovládat? Přiznám se, že skoro všechna osvětlovací tělesa ovládám dálkově, takže v drátech snadno zabloudím. Výše uvedené polarizované relé s dvojicí přepínacích kontaktů by možná projekt značně zjednodušilo.
Mám stávající rozvod, kde je světlo a dva ovládací vypínače (klasický schodišťák). Chci k tomu přidat třetí, který by fungoval naprosto identicky - tedy libovolným vypínačem bych světlo zhasnul, libovolným zase zapnul. Rozdíl by byl ten, že třetí vypínač by se ovládal z telefonu/PC/po internetu - tedy dálkově (konkrétní způsob teď není podstatný). No a k tomu má vést moje řešení.
kiRRow - díky za připomínku. Budu tím spínat klasických 230V AC.
Kdo je online
Uživatelé prohlížející si toto fórum: Žádní registrovaní uživatelé a 1 host