Impulz po stisku tlačítka
Impulz po stisku tlačítka
Zdravím, malý oříšek pro zamyšlení.
Princip: Stisknu tlačítko, blikne LEDka, třeba 500ms. Pouze jednou, i když tlačítko neuvolním. Brnkačka.
Ale místo tlačítka dám Optočlen (AC - PC814) a potřebuji, aby to samé - tedy 1x blikla LED na 500ms.
Je to jednoduché, ale když tam impulzy (10ms) budou pořád, tak by se to po těch 500ms opakovalo.
A já potřebuji, aby se nový cykl opakoval až když impulzy ze vstupu zmizí.
Pro upřesnění - stiskem tlačítka jde do optočlenu střídavé napětí.
Jde nějak ošetřit, aby cykl ukončil stav, kdy nepřichází impulzy? Pak teprve může začít nový cykl.
Princip: Stisknu tlačítko, blikne LEDka, třeba 500ms. Pouze jednou, i když tlačítko neuvolním. Brnkačka.
Ale místo tlačítka dám Optočlen (AC - PC814) a potřebuji, aby to samé - tedy 1x blikla LED na 500ms.
Je to jednoduché, ale když tam impulzy (10ms) budou pořád, tak by se to po těch 500ms opakovalo.
A já potřebuji, aby se nový cykl opakoval až když impulzy ze vstupu zmizí.
Pro upřesnění - stiskem tlačítka jde do optočlenu střídavé napětí.
Jde nějak ošetřit, aby cykl ukončil stav, kdy nepřichází impulzy? Pak teprve může začít nový cykl.
Re: Impulz po stisku tlačítka
Jasně že to jde. Musíš si jen měřit dobu od posledního impulsu a podle toho poznáš přerušení sekvence. A nebo dát k tranzistoru v optočlenu monostabilní klopný obvod nebo RC člen s diodou. Záleží na frekvenci těch pulsů. Pokud není moc zatížený MCU, tak bych to udělal pomocí millis, při větší zátěži nebo nemožnosti pravidelné kontroly stavu pinu, pomocí interruptu, při nemožnosti předchozích řešení (nebo programátorské lenoře) pomocí MKO nebo RC členu.
Re: Impulz po stisku tlačítka
Jo já vím... ale já už to mám řešené tak, že z opto to jde rovnou do ATtiny a výstup z něj přes tranzistor jde dál.
Vše mi funguje, ale zapomněl jsem ošetřit situaci, když někdo visí na tlačítku dlouho. A tak chci toto ošetřit.
Prostě po ukončení toho 500ms impulzu neumím testovat zároveň stisk tlačítka a impulzy z opto (100hz) tak,
aby nezačal další impulz.
Vše mi funguje, ale zapomněl jsem ošetřit situaci, když někdo visí na tlačítku dlouho. A tak chci toto ošetřit.
Prostě po ukončení toho 500ms impulzu neumím testovat zároveň stisk tlačítka a impulzy z opto (100hz) tak,
aby nezačal další impulz.
Re: Impulz po stisku tlačítka
Pokud to chápu tak, že se snažíš procesorem vyhodnocovat střídavé napětí jako stejnosměrné, proč ho neusměrnit na stejnosměrné ?
Re: Impulz po stisku tlačítka
Co třeba sem dát schéma? Pak by se líp něco našlo. Ten popis je tak mlhavý, že opravdu nevím jak je to zapojené a co vlastně chceš řešitLudek píše: ↑29 bře 2022, 20:41Jo já vím... ale já už to mám řešené tak, že z opto to jde rovnou do ATtiny a výstup z něj přes tranzistor jde dál.
Vše mi funguje, ale zapomněl jsem ošetřit situaci, když někdo visí na tlačítku dlouho. A tak chci toto ošetřit.
Prostě po ukončení toho 500ms impulzu neumím testovat zároveň stisk tlačítka a impulzy z opto (100hz) tak,
aby nezačal další impulz.
Re: Impulz po stisku tlačítka
Chceš říct, že potřebuješ, aby
- když přijde hrana, tak se na 500ms rozsvítila LEDka a ignorovaly se hrany
- až LEDka zhasne, tak aby se ignorovaly hrany, dokud mezi nima není mezera (výrazně) větší, než 10ms
- a pak se jelo od začátku?
Tak to takhle napiš a je to
----
Tedy :
- čekej na začátek pulzu
- rozsviť LEDku, spusť časovač na 500ms, až doběhne zhasni LEDku
- spusť časovač na 10ms (nebo víc), pokud během něj přijde začátek pulzu, přenastav ho, aby skončil až za 10ms (nebo víc) od toho okamžiku
To celé nech běžet v nekonečné smyčce - třeba loop()
- když přijde hrana, tak se na 500ms rozsvítila LEDka a ignorovaly se hrany
- až LEDka zhasne, tak aby se ignorovaly hrany, dokud mezi nima není mezera (výrazně) větší, než 10ms
- a pak se jelo od začátku?
Tak to takhle napiš a je to
----
Tedy :
- čekej na začátek pulzu
- rozsviť LEDku, spusť časovač na 500ms, až doběhne zhasni LEDku
- spusť časovač na 10ms (nebo víc), pokud během něj přijde začátek pulzu, přenastav ho, aby skončil až za 10ms (nebo víc) od toho okamžiku
To celé nech běžet v nekonečné smyčce - třeba loop()
Re: Impulz po stisku tlačítka
Já si myslím, že to bude nějak souviset s tímhle viewtopic.php?f=4&t=3032 ...
Re: Impulz po stisku tlačítka
Pánové zdravím, jen reaguji :
- pro Ondru - pravda, ale už to je hotové, včetně DPS
- pro gilhad - jo přesně tak, o vylepšení kodu se snařím, ale
- pro kiRRow - kdepak, to je zcela mimo, toto je jiný problém.
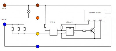
Ale pokud se nebudete moc smát, posílám schema. Jde o to, že stávající ovládání schodiště, jsem to nahradil tlačítky a chtěl přidat jen časovač.
Ale oni si vymysleli jedno bezdrátové tlačítko a byl problém. A tak jsem to elegantně vyřešil tím Sonofem, který se ovládá bezdrátově,
ale nešly tam přidat původní tlačítka. A tak jsem udělal tento pochystát, výstup paralelně k jeho vnitřnimu tlačítku, a ŠLAPE TO PARÁDA.
A potřebuji ošetřit stav, kdy to někdo bude držet dloho, anebo tam dá sirku.
schema bych rád přiložil, ale nevím jak
- pro Ondru - pravda, ale už to je hotové, včetně DPS
- pro gilhad - jo přesně tak, o vylepšení kodu se snařím, ale
- pro kiRRow - kdepak, to je zcela mimo, toto je jiný problém.
Ale pokud se nebudete moc smát, posílám schema. Jde o to, že stávající ovládání schodiště, jsem to nahradil tlačítky a chtěl přidat jen časovač.
Ale oni si vymysleli jedno bezdrátové tlačítko a byl problém. A tak jsem to elegantně vyřešil tím Sonofem, který se ovládá bezdrátově,
ale nešly tam přidat původní tlačítka. A tak jsem udělal tento pochystát, výstup paralelně k jeho vnitřnimu tlačítku, a ŠLAPE TO PARÁDA.
A potřebuji ošetřit stav, kdy to někdo bude držet dloho, anebo tam dá sirku.
schema bych rád přiložil, ale nevím jak
Re: Impulz po stisku tlačítka
Schéma vyexportuj v nějakém běžném formátu, třeba jako jpg. Pak klikni pod oknem přískěvku na záložku "Přílohy" a tím se dostaneš na menu přidání.
Kdo je online
Uživatelé prohlížející si toto fórum: Žádní registrovaní uživatelé a 1 host