Ovládání ventilátoru 30A klimatizace
-
jarkulisradek
- Příspěvky: 6
- Registrován: 07 črc 2020, 00:41
Ovládání ventilátoru 30A klimatizace
Ahoj všichni, chtěl bych poradit jak nejjednodušeji ovládat rychlost větráku chlazení podomácku postavené klimatizace, ventilátor na chladiči je z auta, odběr na plný chod je cca 25A, 12V, jde to udělat jen pomocí nějakého tranzistoru úplně jednoduše přes pwm arduina? malý motorek není problém ovládat jen tranzistorem a odporem na bázi, ale co tento velký? poradí někdo jaký tranzistor a schéma? nebo je potřeba nějaký modu?
vetrák potřebuji ovládat ne od nuly ale např od 30 procent výkonu do 100 procent
vetrák potřebuji ovládat ne od nuly ale např od 30 procent výkonu do 100 procent
Re: Ovládání ventilátoru 30A klimatizace
Je možné použít třeba nějaký FET s N kanálem. Je třeba důsledně dodržet ochranu tranzistoru před napěťovými špičkami při rozepínání. Volil bych typ s integrovanou diodou mezi D a S. Dále je třeba chránit gate proti přepětí (max Ugs). Dále je zde ještě potřeba upravit úroveň napětí pro buzení gate tranzistoru. Většinou je vyšší než dá arduino. Buzení musí mít vysokou rychlost přeběhu, aby tranzistor zůstával co nejkratší čas v přechodovém stavu. Vzhledem k vysoké kapacitě vstupního hradla, musí být schopen dát budič slušný proud. Doporučuji si nejdříve trochu prostudovat tuhle tématiku nebo koupit nějaký hotový modul FET i s budičem.
Vyhovět by mohl třeba teto https://www.laskarduino.cz/pwm-mosfet-m ... 55vdc-31a/
Vyhovět by mohl třeba teto https://www.laskarduino.cz/pwm-mosfet-m ... 55vdc-31a/
Re: Ovládání ventilátoru 30A klimatizace
Jestli netrváš na Arduinu, lze ho nahradit generátorem obdélníkového kmitočtu s nastavitelnou střídou a ušetřit čas a problémy s programováním. Třeba: www.hadex.cz/m472a-generator-obdelnikov ... hz-s-ne555 a jím řízený FET.
Re: Ovládání ventilátoru 30A klimatizace
Já ti doporučuji https://www.laskarduino.cz/pwm-mosfet-m ... 0vdc-161a/, jde o verzi , která má dobrý výkon i když tam jde 4.5V, ale hlavně má RDS jen 3.3 mohm. Což pak nebude potřeba tak velký chladič.
Re: Ovládání ventilátoru 30A klimatizace
Takovy modulek pri zapojeni zminovaneho ventilatoru okamzite shori. Bud cesty na tistaku,nebo se upali nozka z pouzdra tranzistoru. Neni jak odvadet pripadne teplo z tranzistoru. Buzeni obycejnym optoclenem bez Mosfet driveru bude mit za nasledek spatne/pomale spinani gate -> dalsi produkce tepla. Tento modul z bidou muze ustat indukcni zatez do asi 10A. Chce to postavit si pole nekolika mosfetu s prislusnym buzenim a ochranama, nejlepe v pouzdre TO220 at se to da umistit na kus hliniku.ArduXPP píše: ↑07 črc 2020, 14:27Já ti doporučuji https://www.laskarduino.cz/pwm-mosfet-m ... 0vdc-161a/, jde o verzi , která má dobrý výkon i když tam jde 4.5V, ale hlavně má RDS jen 3.3 mohm. Což pak nebude potřeba tak velký chladič.
Take je dobre si uvedomit,ze takovy motor bude mit rozbehovy proud klidne 2x vyssi nez proud za chodu.
-
jarkulisradek
- Příspěvky: 6
- Registrován: 07 črc 2020, 00:41
Re: Ovládání ventilátoru 30A klimatizace
tak jsem zkusil objednat modul a okamžitě schořel i když jsem použil chladič 
-
jarkulisradek
- Příspěvky: 6
- Registrován: 07 črc 2020, 00:41
Re: Ovládání ventilátoru 30A klimatizace
nemůže mi nekdo poradit jak zapojit vlastní irf nejakej v pouzdře TO247 např at na to dám velký chladič? nebo podobný mosfet alespon 50A?
Re: Ovládání ventilátoru 30A klimatizace
Při takových proudech je opravdu důležitý ten budič. Doba přechodu mezi nevodivým a vodivým stavem (a naopak) je kritická a zůsobuje největší ohřev. Celkem jednoduchý a účinný způsob buzení je nějakým logickým obvodem z řady 4000 (třeba CD4011), které lze napájet přímo z 12V a třeba ještě výstup několika hradel dát paralelně přes malé rezistory (řádově ohmy). Tranzistor koupit ve velkém pouzdru https://www.gme.cz/unipolarni-tranzisto ... 10-to247ac. Signál z arduina pak lze napěťově přizpůsobit jedním tranzistorem pro vstup toho logického (4000) obvodu.
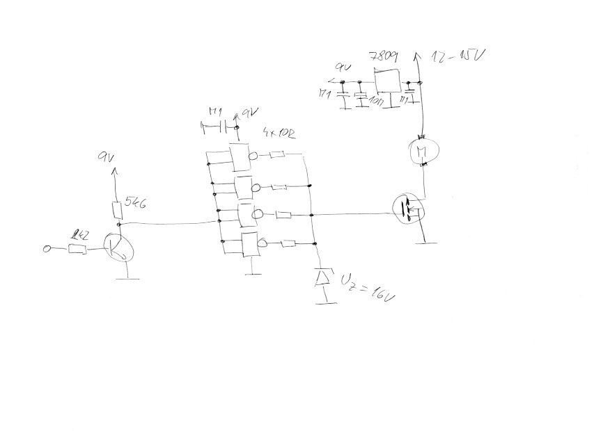
Re: Ovládání ventilátoru 30A klimatizace
Tady je schema.
Tranzistor cca libovolný, IO CD4011, napájení přes stabilizátor 9V, aby tam nelezly různé špičky nebo kolísání napětí při zatížení. Zenerova dioda v gatu je pouze ochranná a dost důležitá. Obvod je neinvertující, na vstupu L=vypnuto. H=zapnuto
Kdo je online
Uživatelé prohlížející si toto fórum: Žádní registrovaní uživatelé a 2 hosti