Stránka 3 z 3
Re: Stabilizátor napětí
Napsal: 21 pro 2019, 10:23
od Axamith
pavel1tu : Jsem na tom podobně, jako kluk jsem bastlil se socialistickými součástkami a Amárem

Teď na sklonku 50-ky jsem znovu začal a dost se tím bavím, jen mi v něčem ujel vlak a doháním to.
ondraN : Děkuji za nasměrování, ono to není zase až tak složité, když se ví, co hledat. GM jsem až na výjimky opustil, už nejsou to co bývali. Poslední dobou většinou nakupuji u TME, ekonomická doprava za 50,- a balík je doma většinou do dvou dnů.
V podstatě bych se měl pohybovat v této kategorii a hledat vhodné parametry
https://www.tme.eu/cz/katalog/stabiliza ... dc_100220/
Re: Stabilizátor napětí
Napsal: 23 pro 2019, 13:16
od Hafajs
Re: Stabilizátor napětí
Napsal: 27 bře 2020, 17:13
od Axamith
Pokud někdo na PCB chce osadit svůj zdroj a pevně nastaveným napětím, tady je hezká kalkulačka odporového děliče.
https://cxem.net/calc/lm2596_calc.php?s ... rame=56012
Re: Stabilizátor napětí
Napsal: 20 pro 2020, 11:34
od Axamith
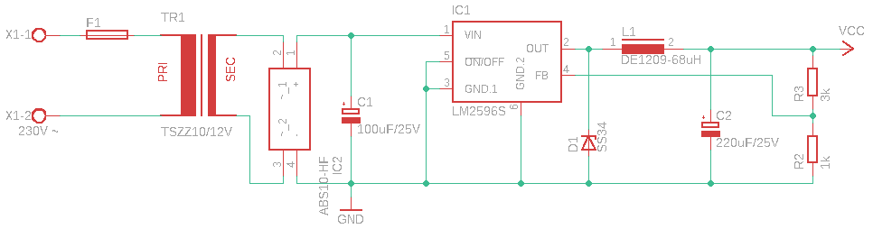
Po dlouhé době jsem opět sedl k bastlení a začal osazovat dříve navrženou desku. Na základě předchozí debaty jsem udělal stabilizovaný zdroj s LM2596, viz přiložené schéma. Podle
https://cxem.net/calc/lm2596_calc.php?s ... rame=56012 jsem spočítal odpory na výstupu na 1k a 3k, pro požadovaných 5V. A ejhle, na výstupu naměřím 1,3V
Z trafa mi leze 16,5 V na prázdno, po usměrnění 21,5V Změnou odporu R3 (4k7 by mělo dát 8V) se výstupní napětí vůbec nezměnilo. regulátor srazí napění na min. hodnotu, co umožňuje.
Něco je špatně, ale já nevidím co. . .

- zdroj_LM2596.png (6.63 KiB) Zobrazeno 5155 x
Re: Stabilizátor napětí
Napsal: 20 pro 2020, 13:03
od ondraN
Schema je OK. Zkontroloval bych reálné zapojení, jestli tam něco nehapruje. BTW D1, L1, C2 by měly být co nejblíže k vývodu a taky by tam měl být dostatečný průřez mědi.
Re: Stabilizátor napětí
Napsal: 20 pro 2020, 14:15
od Axamith
Ondro děkuji za kontrolu, už jsem propadal skepsi, že neumím postavit ani zdroj

Problém byl v pájení, při návrhu PCB jsem to trošku přehnal s propojením chlazení na GND a velká plocha mědi příliš ochlazovala hrot, takže nedošlo k řádnému proletování. Vyšší teplota a větší hrot pomohly.