Stabilizátor napětí

Axamith
Příspěvky: 538
Registrován: 09 srp 2017, 08:17
Kontaktovat uživatele:

Re: Stabilizátor napětí

Příspěvek od Axamith » 21 pro 2019, 10:23

pavel1tu : Jsem na tom podobně, jako kluk jsem bastlil se socialistickými součástkami a Amárem :-) Teď na sklonku 50-ky jsem znovu začal a dost se tím bavím, jen mi v něčem ujel vlak a doháním to.

ondraN : Děkuji za nasměrování, ono to není zase až tak složité, když se ví, co hledat. GM jsem až na výjimky opustil, už nejsou to co bývali. Poslední dobou většinou nakupuji u TME, ekonomická doprava za 50,- a balík je doma většinou do dvou dnů.

V podstatě bych se měl pohybovat v této kategorii a hledat vhodné parametry https://www.tme.eu/cz/katalog/stabiliza ... dc_100220/

Hafajs
Příspěvky: 151
Registrován: 10 bře 2019, 10:19

Re: Stabilizátor napětí

Příspěvek od Hafajs » 23 pro 2019, 13:16


Axamith
Příspěvky: 538
Registrován: 09 srp 2017, 08:17
Kontaktovat uživatele:

Re: Stabilizátor napětí

Příspěvek od Axamith » 27 bře 2020, 17:13

Pokud někdo na PCB chce osadit svůj zdroj a pevně nastaveným napětím, tady je hezká kalkulačka odporového děliče.
https://cxem.net/calc/lm2596_calc.php?s ... rame=56012

Axamith
Příspěvky: 538
Registrován: 09 srp 2017, 08:17
Kontaktovat uživatele:

Re: Stabilizátor napětí

Příspěvek od Axamith » 20 pro 2020, 11:34

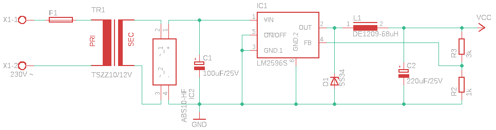
Po dlouhé době jsem opět sedl k bastlení a začal osazovat dříve navrženou desku. Na základě předchozí debaty jsem udělal stabilizovaný zdroj s LM2596, viz přiložené schéma. Podle https://cxem.net/calc/lm2596_calc.php?s ... rame=56012 jsem spočítal odpory na výstupu na 1k a 3k, pro požadovaných 5V. A ejhle, na výstupu naměřím 1,3V
Z trafa mi leze 16,5 V na prázdno, po usměrnění 21,5V Změnou odporu R3 (4k7 by mělo dát 8V) se výstupní napětí vůbec nezměnilo. regulátor srazí napění na min. hodnotu, co umožňuje.
Něco je špatně, ale já nevidím co. . .
zdroj_LM2596.png
zdroj_LM2596.png (6.63 KiB) Zobrazeno 5054 x

ondraN
Příspěvky: 935
Registrován: 08 srp 2019, 20:01

Re: Stabilizátor napětí

Příspěvek od ondraN » 20 pro 2020, 13:03

Schema je OK. Zkontroloval bych reálné zapojení, jestli tam něco nehapruje. BTW D1, L1, C2 by měly být co nejblíže k vývodu a taky by tam měl být dostatečný průřez mědi.

Axamith
Příspěvky: 538
Registrován: 09 srp 2017, 08:17
Kontaktovat uživatele:

Re: Stabilizátor napětí

Příspěvek od Axamith » 20 pro 2020, 14:15

Ondro děkuji za kontrolu, už jsem propadal skepsi, že neumím postavit ani zdroj :-(
Problém byl v pájení, při návrhu PCB jsem to trošku přehnal s propojením chlazení na GND a velká plocha mědi příliš ochlazovala hrot, takže nedošlo k řádnému proletování. Vyšší teplota a větší hrot pomohly.

Odpovědět

Kdo je online

Uživatelé prohlížející si toto fórum: Žádní registrovaní uživatelé a 0 hostů