Stav baterie

Kabicek
Příspěvky: 89
Registrován: 04 kvě 2018, 07:20

Re: Stav baterie

Příspěvek od Kabicek » 07 říj 2020, 09:59

Ok děkuji za vysvětlení. Zkoušel jsem to propočítat jak pro sériové tak pro paralelní zapojení článků a kapacita ve Wh vychází v obou případech stejně. Takže kdybych měl např. 20 lithiových článků o jmenovitém napětí 3,7V tak je výhodnější je spojit sériově na celkové napětí 74V a pak přes step-down měnič to snížit na 12V ? Našel jsem i vhodný step-down měnič LTC3810, který dokáže vstupní napětí až 100V převést na napětí 12V/5A. Jediné na co jsem u sériového zapojení článků narazil je to, že je třeba je chránit před nerovnoměrným nabíjením a vybíjením. Našel jsem, že tento problém řeší vyvažovač viz obrázek. Není mi ale jasné čím jsou spínány ty tranzistory jestli nějakým mikrokontrolérem, který hlídá stav nabití každého článku ? Popřípadě je nutné tento vyvažovač použít ?
Přílohy
Vyvažovač.png

ondraN
Příspěvky: 935
Registrován: 08 srp 2019, 20:01

Re: Stav baterie

Příspěvek od ondraN » 07 říj 2020, 11:01

Použití balanceru je hodně závislé na provozních podmínkách. Hodně se používá, pokud se články nabíjí vysokými proudy, třeba modelářské baterry packy je mají. Oproti tomu, jsem nikdy neviděl balancer u baterii do notebooků. Balancery se řídí různě, ale mají za úkol nedovolit, aby napětí na jakémkoli článku baterie stouplo nad maximální mez a tak poškodilo článek. Takže u toho schematu, co jsi sem dal, chybí ta část, kde se měří napětí článků. FET tranzistory v balanceru se chovají jako proměnné výkonové rezistory a nastavují se podle napětí na článku, který při nabíjení balancují.
Takže, je třeba zvážit jaký je nabíjecí proud, jak rychle článek stárne, kolik mám článků, kolik stojí nová sada článků a kolik zavedení balanceru a jaká je předpokládaná životnost zařízení. Pro nabíjecí proudy do 1/3 C (třetina proudu z kapacity v mAh) a do 6ti článků bych balancer neřešil, pak už je to složitější :mrgreen:

Kabicek
Příspěvky: 89
Registrován: 04 kvě 2018, 07:20

Re: Stav baterie

Příspěvek od Kabicek » 07 říj 2020, 12:02

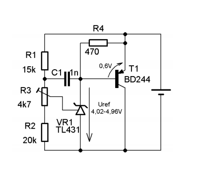
Šlo by využít takovýto balancer ? Když napětí na článku přesáhne 4,2V tak se článek přemostí přes tranzistor T1.
Přílohy
Balancer.png

ondraN
Příspěvky: 935
Registrován: 08 srp 2019, 20:01

Re: Stav baterie

Příspěvek od ondraN » 07 říj 2020, 12:31

Asi ano. U toho tranzistoru bych dal do kolektoru nějaký limitující rezistor, aby se nemohl tranzistor ani článek zničit při plném otevření tranzistoru. Taky vem v potaz, že tenhle balancer bude mít trvalý odběr několik mA. Takže nic do zařízení, kde se šetří každý miliwat.

Kabicek
Příspěvky: 89
Registrován: 04 kvě 2018, 07:20

Re: Stav baterie

Příspěvek od Kabicek » 07 říj 2020, 12:58

To ano, udávají proudový odběr 106μA. Popřípadě nemáte nějaké schéma aktivního balanceru bez trvalého proudového odběru ?

ondraN
Příspěvky: 935
Registrován: 08 srp 2019, 20:01

Re: Stav baterie

Příspěvek od ondraN » 07 říj 2020, 13:12

Asi bych ho nestavěl ale koupil hotový. Třeba tady je jeden pro tři články s klidovým odběrem 30uA.
https://arduino-shop.cz/arduino/1675-oc ... RgQAvD_BwE

Kabicek
Příspěvky: 89
Registrován: 04 kvě 2018, 07:20

Re: Stav baterie

Příspěvek od Kabicek » 07 říj 2020, 13:33

No já bych potřeboval balancer pro 20 článků. Ke koupi jsem takový nenašel, a proto bych ho chtěl sestavit.

ondraN
Příspěvky: 935
Registrován: 08 srp 2019, 20:01

Re: Stav baterie

Příspěvek od ondraN » 07 říj 2020, 13:38

Ty balancery po třech můžeš dávat do série, takže 18 nebo 21 článků

Uživatelský avatar
Caster
Příspěvky: 502
Registrován: 11 zář 2019, 09:02

Re: Stav baterie

Příspěvek od Caster » 07 říj 2020, 15:14


ondraN
Příspěvky: 935
Registrován: 08 srp 2019, 20:01

Re: Stav baterie

Příspěvek od ondraN » 07 říj 2020, 15:25

Dobrá volba. To teplotní čidlo taky není k zahození. K čemu to bude sloužit?

Odpovědět

Kdo je online

Uživatelé prohlížející si toto fórum: Žádní registrovaní uživatelé a 2 hosti