ESP8266 ESP-01 - Odpovídá neznámé znaky
ESP8266 ESP-01 - Odpovídá neznámé znaky
Ahoj,
od pondělka si hraju s Arduinem a povedlo se mi bez problémů rozchodit pár senzorů z číny. Zasekl jsem se ale u WiFI modulu, který mi po propojení na zaslané "AT" odpoví jen "⸮" a nic víc. Neví někdo, v čem by mohl být problém? Zkoušel jsem takto 2x stejné moduly ESP8266 (stejný dodavatel) i 2x Arduino Uno (rozdílní dodavatelé - NE originál).
Foto zapojení přikládám do přílohy - omlouvám se za kvalitu fotek, mobil nemá nejlepší foťák.
ESP8266 ESP-01 jsem propojil s Arduino UNO dle návodu:
http://www.instructables.com/id/Getting ... 66-ESP-01/
Modul mám přesně tenhle:
https://www.aliexpress.com/item/Free-sh ... 0.0.k3O4Dq
od pondělka si hraju s Arduinem a povedlo se mi bez problémů rozchodit pár senzorů z číny. Zasekl jsem se ale u WiFI modulu, který mi po propojení na zaslané "AT" odpoví jen "⸮" a nic víc. Neví někdo, v čem by mohl být problém? Zkoušel jsem takto 2x stejné moduly ESP8266 (stejný dodavatel) i 2x Arduino Uno (rozdílní dodavatelé - NE originál).
Foto zapojení přikládám do přílohy - omlouvám se za kvalitu fotek, mobil nemá nejlepší foťák.
ESP8266 ESP-01 jsem propojil s Arduino UNO dle návodu:
http://www.instructables.com/id/Getting ... 66-ESP-01/
Modul mám přesně tenhle:
https://www.aliexpress.com/item/Free-sh ... 0.0.k3O4Dq
Re: ESP8266 ESP-01 - Odpovídá neznámé znaky
Ahoj,
na webu je každej programátor, ale nikdo nerespektuje elementární základy elektroniky. Tím vůbec nemyslím tebe, ale ty experty, kteří produkují takové návody.
1. esp8266 musí být napájeno napětím 3,3V a stejný maximální rozkmit napětí musí mít i signál Tx, který přivádíš na vstup Rx modulu esp8266 (dále jen modul) Pokud z tvého Arduina leze logický signál 5V, tak je pravděpodobné, že dříve nebo později modul zničíš. Modul je vcelku odolný, ale když jsem ho dlouhodobě provozoval s omylem špatně přepnutým převodníkem USB/Serial, tak jsem ho nakonec opravdu zničil. Je třeba použít převodník úrovní, dělič nebo nějaké jiné opatření pro omezení velikosti tohoto signálu.
2. Vstupy GPIO0, GPIO2, a RESET je třeba ošetřit pullup rezistory s hodnotou cca 10k ohm. Ta není nijak kritická. Pullup znamená ze vstupu na napájecí napětí Vcc tj. 3,3V. Tyto odpory jsou velmi důležité. Ch_PD musí být připojen na Vcc také, ale může být připojen přímo, pokud s ním nemáš nějaký specifický záměr.
3. Pak musíš zvolit správnou defaultní komunikační rychlost, teoreticky to může být 9600, 57600, 74880 nebo 115200 baudů.¨
4: Ještě jsem zapomněl na jednu veledůležitou věc. 80% všech problémů spočívá v nedostatečném zdroji. Ve špičkách vysílání modul odebírá relativně velký proud. A pokud nedostane co potřebuje, chová se velmi nestandardně. Blokovací kondenzátor přiletovaný mezi GND a Vcc není od věci. Chce to tak 300mA bez poklesu napájecího napětí.
Protože Arduino nemám a ani neznám, tak jsem se koukl, co to vlastně to UNO je:
Flash: 32 KB (ATmega328) 0.5 KB použito pro bootloader
SRAM 2 KB (ATmega328)
EEPROM 1 KB (ATmega328)
Tvůj modul esp8266 má 96kB SRAM a 1MB flash + bootloader v PROM paměti.
na webu je každej programátor, ale nikdo nerespektuje elementární základy elektroniky. Tím vůbec nemyslím tebe, ale ty experty, kteří produkují takové návody.
1. esp8266 musí být napájeno napětím 3,3V a stejný maximální rozkmit napětí musí mít i signál Tx, který přivádíš na vstup Rx modulu esp8266 (dále jen modul) Pokud z tvého Arduina leze logický signál 5V, tak je pravděpodobné, že dříve nebo později modul zničíš. Modul je vcelku odolný, ale když jsem ho dlouhodobě provozoval s omylem špatně přepnutým převodníkem USB/Serial, tak jsem ho nakonec opravdu zničil. Je třeba použít převodník úrovní, dělič nebo nějaké jiné opatření pro omezení velikosti tohoto signálu.
2. Vstupy GPIO0, GPIO2, a RESET je třeba ošetřit pullup rezistory s hodnotou cca 10k ohm. Ta není nijak kritická. Pullup znamená ze vstupu na napájecí napětí Vcc tj. 3,3V. Tyto odpory jsou velmi důležité. Ch_PD musí být připojen na Vcc také, ale může být připojen přímo, pokud s ním nemáš nějaký specifický záměr.
3. Pak musíš zvolit správnou defaultní komunikační rychlost, teoreticky to může být 9600, 57600, 74880 nebo 115200 baudů.¨
4: Ještě jsem zapomněl na jednu veledůležitou věc. 80% všech problémů spočívá v nedostatečném zdroji. Ve špičkách vysílání modul odebírá relativně velký proud. A pokud nedostane co potřebuje, chová se velmi nestandardně. Blokovací kondenzátor přiletovaný mezi GND a Vcc není od věci. Chce to tak 300mA bez poklesu napájecího napětí.
Protože Arduino nemám a ani neznám, tak jsem se koukl, co to vlastně to UNO je:
Flash: 32 KB (ATmega328) 0.5 KB použito pro bootloader
SRAM 2 KB (ATmega328)
EEPROM 1 KB (ATmega328)
Tvůj modul esp8266 má 96kB SRAM a 1MB flash + bootloader v PROM paměti.
Naposledy upravil(a) jankop dne 26 led 2018, 19:34, celkem upraveno 1 x.
Re: ESP8266 ESP-01 - Odpovídá neznámé znaky
Díky za odpověď.
1, Aha, k Tx jsem ještě v příručce nedošel, který převodník by jsi mi doporučil?
EDIT: Třeba tenhle by fungoval?
https://arduino-shop.cz/arduino/1481-ii ... 57581.html
2, Nemáš někde prosímtě nákres / návod který bych u tohodle mohl využít? Jsem ještě začátečník a těžko se mi to ještě představuje.
3, Takže v "setup" musí být: Serial.begin(9600); ?
1, Aha, k Tx jsem ještě v příručce nedošel, který převodník by jsi mi doporučil?
EDIT: Třeba tenhle by fungoval?
https://arduino-shop.cz/arduino/1481-ii ... 57581.html
2, Nemáš někde prosímtě nákres / návod který bych u tohodle mohl využít? Jsem ještě začátečník a těžko se mi to ještě představuje.
3, Takže v "setup" musí být: Serial.begin(9600); ?
Re: ESP8266 ESP-01 - Odpovídá neznámé znaky
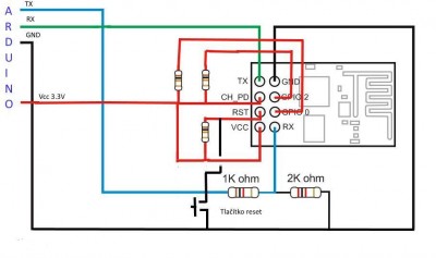
Tu komunikační rychlost musíš vyzkoušet, ale ta úvaha je správná - Serial.begin(9600); atd. Obrázek nic moc, ale musí ti stačit.
Ten převodník úrovní je dobrej, ale zatím se bez něj obejdeš i tím děličem napětí z rezistorů.
Re: ESP8266 ESP-01 - Odpovídá neznámé znaky
Obrázek srozumitelný, děkuju
Večer to zkusím zapojit.
Tlačítko "Reset" mohu vynechat? Tlačítka jsou na cestě s ostatními součástkami a dorazit by měl příští týden.
Tlačítko "Reset" mohu vynechat? Tlačítka jsou na cestě s ostatními součástkami a dorazit by měl příští týden.
Re: ESP8266 ESP-01 - Odpovídá neznámé znaky
Tlačítko reset můžeš vynechat. Používá se také alternativa, kdy se Reset řídí z Arduina. Je to docela vhodné, protože můžeš modul uvést kdykoliv programově do výchozího stavu. Tady pak zase platí potřeba převodníku úrovně.
Re: ESP8266 ESP-01 - Odpovídá neznámé znaky
A Rx je propojené s Tx (a naopak) schválně takto propojené? Když to zapojím takto, tak mi program odmítá s deskou komunikovat.
EDIT: Na AT mi to tentokrát neodepíše nic a při pokusu o nahrání pgm při zapojení to vyhodí chybu:
Kontrolky na UNO mi svítí:
ON
L
Blkají:
X1
Zapojení viz příloha
EDIT: Na AT mi to tentokrát neodepíše nic a při pokusu o nahrání pgm při zapojení to vyhodí chybu:
Kód: Vybrat vše
avrdude: stk500_recv(): programmer is not responding
avrdude: stk500_getsync() attempt 2 of 10: not in sync: resp=0x00ON
L
Blkají:
X1
Zapojení viz příloha
Naposledy upravil(a) lachim16 dne 27 led 2018, 15:43, celkem upraveno 1 x.
Re: ESP8266 ESP-01 - Odpovídá neznámé znaky
Zapojení ESP-01 na obrázku je správné , ale asi pro nahrání firmware 


Re: ESP8266 ESP-01 - Odpovídá neznámé znaky
No moje chyba, omlouvám se. Protože Arduino má dost nestandardně značený seriový port, tak jsem to popsal špatně. Pro Arduino nejspíš platí Rx-Rx a Tx-Tx.
Při normální logice se používá křížové zapojení, ale prostě Arduino je "specifické".
Jenom bych se chtěl ujistit. Nehodláš modul programovat, ale používat jako WiFi shield Arduina. Je to tak?
Při normální logice se používá křížové zapojení, ale prostě Arduino je "specifické".
Jenom bych se chtěl ujistit. Nehodláš modul programovat, ale používat jako WiFi shield Arduina. Je to tak?
Re: ESP8266 ESP-01 - Odpovídá neznámé znaky
Zapojení je VŽDY Tx-Rx a Rx-Tx !
V novém ESP8266 je kdovíco za firmware. Je potřeba tam nahrát nějaký vyzkoušený.
Podívej se na http://xanadu.khnet.info/esp8266.php tam najdeš návod jak tam FW nahrát, a jak s ním potom komunikovat.
V novém ESP8266 je kdovíco za firmware. Je potřeba tam nahrát nějaký vyzkoušený.
Podívej se na http://xanadu.khnet.info/esp8266.php tam najdeš návod jak tam FW nahrát, a jak s ním potom komunikovat.
Kdo je online
Uživatelé prohlížející si toto fórum: Žádní registrovaní uživatelé a 4 hosti