Arduino UNO s USB typu C
Arduino UNO s USB typu C
Mám dotaz. Koupil jsem na Aliexpressu už asi 10 ks Arduino UNO
Vždy šlapaly na 100, i když každý se od sebe malinko lišil. Ale tď mi poslali kus, kde se zdá všechno stejné,
ale konektor je USB c. Kdybych se rozkrájel tak tam nenahraju nic, vždy hlásí prblém s USB portem.
Pokud tam nahraju kod přes ISP, tak to jdem ale né přes USB.
Prolezl jsem Gůgla, ale žádná intelgentní rada. Co je špatně?
Díky
Vždy šlapaly na 100, i když každý se od sebe malinko lišil. Ale tď mi poslali kus, kde se zdá všechno stejné,
ale konektor je USB c. Kdybych se rozkrájel tak tam nenahraju nic, vždy hlásí prblém s USB portem.
Pokud tam nahraju kod přes ISP, tak to jdem ale né přes USB.
Prolezl jsem Gůgla, ale žádná intelgentní rada. Co je špatně?
Díky
Re: Arduino UNO s USB typu C
Klidně je možné, že je špatně to Arduino (resp. jeho port).
Když ho zapojíš do počítače, objeví se ti, že jsi zapojil Arduino (nebo nějaký sériový převodník, jako CH341 nebo tak něco)?
Když ho zapojíš do počítače, objeví se ti, že jsi zapojil Arduino (nebo nějaký sériový převodník, jako CH341 nebo tak něco)?
Re: Arduino UNO s USB typu C
Ano desky jsou asi OK. Po zapojení se port objeví jako CH341. Pak to nahrává a nakonec napíše hlášku :
Nastala chyba při nahrávaní projektu. avrdude: ser_open(): can't set com-state for "\\.\COM7"
Podezírám číňana, že tam je nějaký jiný čip. Na všech UNO mám na tom čipu napsáno CH340G - na všech
ale na těch co nejdou je čip přebroušený. prevíti... ale má taky 16 nožiček.
Jinak na forech to také řeší, ale je tam jeden chytřejší než druhý - třeba rady IQ tykve
Pokud nenajdu řešení, zkusím ho vyoperovat a dát tam CH340G

Nastala chyba při nahrávaní projektu. avrdude: ser_open(): can't set com-state for "\\.\COM7"
Podezírám číňana, že tam je nějaký jiný čip. Na všech UNO mám na tom čipu napsáno CH340G - na všech
ale na těch co nejdou je čip přebroušený. prevíti... ale má taky 16 nožiček.
Jinak na forech to také řeší, ale je tam jeden chytřejší než druhý - třeba rady IQ tykve
Pokud nenajdu řešení, zkusím ho vyoperovat a dát tam CH340G
Re: Arduino UNO s USB typu C
Cez ISP si tam nahraj program čo komunikuje na 9600 cez seriák. Aj nech niečo posiela, aj nech na nejaké písmeno rozsvieti tú internú led. A máš otestované či sériak funguje alebo nie. Potom zdvihni rýchlosť na 115200 lebo tá sa používa pre bootloader. Opäť otestuj.
Ak jedno alebo druhé nepôjde tak ten sériový kanál nefunguje. Vtedy sa riešia šamanské tance s nastavením ovládačov na PC, alebo s nejakou hw chybou na doske. Stalo sa mi že jedna doska mala studeňák na odpore ktorý ťahal reset k neaktívnemu stavu. Tiež to nešlo programovať. Na to sa už potrebuješ aj pozrieť takže LA alebo osciloskop
Ale podľa chyby to vyzerá na problém na strane PC.
Edit:
Na stackoverflow to tiež často býva
https://stackoverflow.com/questions/689 ... e-for-com3
Ak jedno alebo druhé nepôjde tak ten sériový kanál nefunguje. Vtedy sa riešia šamanské tance s nastavením ovládačov na PC, alebo s nejakou hw chybou na doske. Stalo sa mi že jedna doska mala studeňák na odpore ktorý ťahal reset k neaktívnemu stavu. Tiež to nešlo programovať. Na to sa už potrebuješ aj pozrieť takže LA alebo osciloskop
Ale podľa chyby to vyzerá na problém na strane PC.
Edit:
Na stackoverflow to tiež často býva
https://stackoverflow.com/questions/689 ... e-for-com3
Re: Arduino UNO s USB typu C
Díky, ale ty rady co jsou na forech jsou k ničemu. A co se týče tohoto, spíš si myslím, že tam je jiný brouk, než je
ten CH340G. Jinak by nebyl důvod, proč ho přebrousili. Přes ISP tam lze nahrát cokoli. Jen né přes to USB.
Ale ještě zkusím to opačné řešení od CPU ven na USB.
ten CH340G. Jinak by nebyl důvod, proč ho přebrousili. Přes ISP tam lze nahrát cokoli. Jen né přes to USB.
Ale ještě zkusím to opačné řešení od CPU ven na USB.
Re: Arduino UNO s USB typu C
Tak to funguje - nahrál jsem tam nějaký kod, co posílá text do monitoru.
To šlape. Jen jsem musel dát jiný čip né ATMELmega 328p ale PB.
To šlape. Jen jsem musel dát jiný čip né ATMELmega 328p ale PB.
Re: Arduino UNO s USB typu C
Ať hledám, jak hledám, ugůglit se můžu... ale nic.
Tak to vzdávám a až dorazí CH340G, tak ho tam dám. uvidím
Tak to vzdávám a až dorazí CH340G, tak ho tam dám. uvidím
Re: Arduino UNO s USB typu C
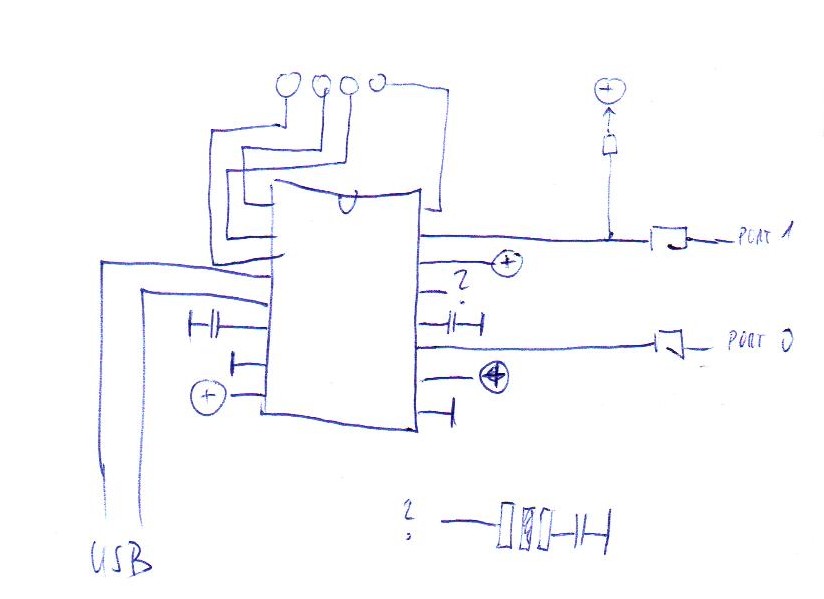
Tak ještě něco. Nedalo mi to a propípal jsem ten obvod. Opravdu to NENI CH340G - proto je přebroušený.
Koukněte co jsem zjsitil. Akorát nechápu pin13, který nemohu proměřit. Podle cesty by měl být k tomu krystalu,
ale ohmicky nevede. Pod broukem by asi mohl být nějaký kondík.
Napadá vás někoho, co to je za brouka? A tedy jaký by mal být driver? Wokńa ho identifikují jako CH340,
ale IDE tam program nenacpe.
Koukněte co jsem zjsitil. Akorát nechápu pin13, který nemohu proměřit. Podle cesty by měl být k tomu krystalu,
ale ohmicky nevede. Pod broukem by asi mohl být nějaký kondík.
Napadá vás někoho, co to je za brouka? A tedy jaký by mal být driver? Wokńa ho identifikují jako CH340,
ale IDE tam program nenacpe.
Re: Arduino UNO s USB typu C
Tým že si zistil že komunikácia z dosky do PC beží tak si overil dve veci. Jednak že máš dobre naištalovaný driver a komunikácia jedným smerom ide. Takto je viac menej isté že chyba je na doske. Chip tam bude ten čo píše win. Výmena je podľa mňa zbytočná.
Písal som že máš overiť aj druhý smer. To preto lebo mezdi tým USB konvertorom a MCU sú ochrané odpory. Ak tam niektorý chýba alebo je zle pripájkovaný tak nemusia data dorazit až do MCU a on potom nemá dôvod odpovedať.
Vyskúšaj aj to či dokážeš prijímať data z PC.
Posledná vec ktorá môže byť chybná je reset. Počítač pred aktivovaním bootloadera musí MCU resetnúť. Robí sa to nejakým riadiacim signálom z toho USB prevodníka a je to privedené cez kondenzátor na reset MCU. Môže byť chyba ešte tu. Ako som písal mal som presne takýto prípad s jednou dosku. Stačilo že som prilačil meracím hrotom na súčiastku a programovanie sa rozbehlo. Tak isto to bolo úplne nová doska.
A ten pin 13 nejde náhodou na ten resetovací kondenzátor?
Písal som že máš overiť aj druhý smer. To preto lebo mezdi tým USB konvertorom a MCU sú ochrané odpory. Ak tam niektorý chýba alebo je zle pripájkovaný tak nemusia data dorazit až do MCU a on potom nemá dôvod odpovedať.
Vyskúšaj aj to či dokážeš prijímať data z PC.
Posledná vec ktorá môže byť chybná je reset. Počítač pred aktivovaním bootloadera musí MCU resetnúť. Robí sa to nejakým riadiacim signálom z toho USB prevodníka a je to privedené cez kondenzátor na reset MCU. Môže byť chyba ešte tu. Ako som písal mal som presne takýto prípad s jednou dosku. Stačilo že som prilačil meracím hrotom na súčiastku a programovanie sa rozbehlo. Tak isto to bolo úplne nová doska.
A ten pin 13 nejde náhodou na ten resetovací kondenzátor?
Kdo je online
Uživatelé prohlížející si toto fórum: Žádní registrovaní uživatelé a 0 hostů
