ESP32 CAM Foto uložené v bufferu
Re: ESP32 CAM Foto uložené v bufferu
Věc se zkomplikovala já jsem chtěl pokračovat krokem přidáním knihovny SoftwareSerial na piny 12,13 a té doby mi ti projekty s kamerou padají akorát co mi funguje je ten projekt který je součástí arduino IDE CameraWebServer asi se zmršila nebo se přepsala knihovna "esp_camera.h" a funguje jen ta v příkladech a já ji nemohu najít nebo lépe řečeno nejsem schopen.Taky nevím jestli ty piny na tom modulu 12,13 které chci použít jako SoftwareSerial nekolidují s kamerou díky
Re: ESP32 CAM Foto uložené v bufferu
Proč potřebuješ SoftwareSerial?

Piny s označením H se používá pro SD kartu. Takže to má dost omezení. Jediná možnost je použít piny GPIO1 a GPIO3.

Piny s označením H se používá pro SD kartu. Takže to má dost omezení. Jediná možnost je použít piny GPIO1 a GPIO3.
Re: ESP32 CAM Foto uložené v bufferu
Protože chci ten obraz poslat přes modul SIM800 a proto potřebují softwareserial už jsem dokázal pomocí těchto
modulů spolupracujících navázat spojení s mým FTP serverem a poslat tam pár bytů zatím v textovém formátu ten paket co dovoluje GPRS Vodafone dovoluje být velký 1360 znaků tak když ta fotka má 150 KB tak to znamená prakticky 150 paketů tady bych vyděl potenciální problémy,to je jen teorie a mé zbožné přání jestli to půjde to nevím
díky
modulů spolupracujících navázat spojení s mým FTP serverem a poslat tam pár bytů zatím v textovém formátu ten paket co dovoluje GPRS Vodafone dovoluje být velký 1360 znaků tak když ta fotka má 150 KB tak to znamená prakticky 150 paketů tady bych vyděl potenciální problémy,to je jen teorie a mé zbožné přání jestli to půjde to nevím
Re: ESP32 CAM Foto uložené v bufferu
Jedině píchnout ten modul SIM800 na klasický Serial port a při nahrávání to vždy vypojit ,aby se program nahrál.
Re: ESP32 CAM Foto uložené v bufferu
To by bylo zdlouhavé
já věřím že najdu piny na které to dát, taky je možné že si dám do čumáku s nevědomosti nebo s neznalosti pinout modulu
Re: ESP32 CAM Foto uložené v bufferu
To nebude problém v pinech. Problém bude v tom, že software seriál bude používat stejný časovač jako nějaká jiná knihovna v projektu. Dost častý problém knihoven.
Nejjednodužší bude připojit ten SIM800 na hardware serial a arduino pak programovat přes ICSP konektor, nebo SIM800 vždy odpojit před programováním.
Nejjednodužší bude připojit ten SIM800 na hardware serial a arduino pak programovat přes ICSP konektor, nebo SIM800 vždy odpojit před programováním.
Re: ESP32 CAM Foto uložené v bufferu
Tak to vrhá další pro mě nemile překvapující pohled ,jde mi o odpověď nebo zpětnou vazbu ,to potom nebudu mýt tucha co vrací ten modul SIM800 jaké odpovědi na příkazy ,taky jsem slyšel ještě o HardwareSerialu jako knihovně ale to mě asi taky nepomůže 
Re: ESP32 CAM Foto uložené v bufferu
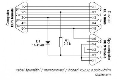
No na diagnostiku komunikace mezi dvěma RS-232 zařízeními se dá udělat sniffer. V podstatě komunikační piny těch dvou zařízení napíchneš diodou v propustném směru na RX pin špionského zařízení. Nezapomenout propojit země. Stačí do google napsat RS-232 sniffer.
Další možnost je diagnostiku dostávat ven jiným způsobem. Logováním na SD kartu, ty běhají většinou na SPI, nebo ji vypisovat po I2C na displej. Možná by stačilo i jen blikání LEDkou - i do toho se dá nacpat spousta informací.
Další možnost je diagnostiku dostávat ven jiným způsobem. Logováním na SD kartu, ty běhají většinou na SPI, nebo ji vypisovat po I2C na displej. Možná by stačilo i jen blikání LEDkou - i do toho se dá nacpat spousta informací.
Re: ESP32 CAM Foto uložené v bufferu
U mě asi by byl schůdný způsob sniffer hledal jsem na netu nějaké schéma ta dioda by stačila nebo ne ? nemám v tom jasno díky
Re: ESP32 CAM Foto uložené v bufferu
Ještě mi napadlo že ten modul ESP32 CAM při zapnutí vypisuje na sériový port i jakousi hlavičku ze kterou by ten modul SIM800 nevěděl rady když nebo asi budu muset dát na klasický sériový port
jak to udělat ? díky
Kdo je online
Uživatelé prohlížející si toto fórum: Žádní registrovaní uživatelé a 2 hosti