RTC hodiny

Uživatelský avatar
SkullKeep
Příspěvky: 317
Registrován: 23 srp 2017, 18:51
Bydliště: Brno
Kontaktovat uživatele:

RTC hodiny

Příspěvek od SkullKeep » 04 dub 2019, 13:45

Máte doma zbastlené Hodiny na bázi RTC hodin pochlubte se?
Můj prozatimní bastl vypadá takto:
Obrázek
Nastavují se pomocí BT modulu a PC s BT modulem.
:twisted: :?: :arrow: :geek: P. Q. M.

Wojta
Příspěvky: 184
Registrován: 22 črc 2017, 16:39

Re: RTC hodiny

Příspěvek od Wojta » 04 dub 2019, 16:52

Sice to není čistě můj bastl ale dělal jsem návrh a SW tak to sem plácnu :D

Sedmisegmenty udělané z led pásků, RTC nastavené při prvním spuštění propracovanou metodou "zmáčkni včas reset čudlík"

Obrázek

Obrázek

Uživatelský avatar
SkullKeep
Příspěvky: 317
Registrován: 23 srp 2017, 18:51
Bydliště: Brno
Kontaktovat uživatele:

Re: RTC hodiny

Příspěvek od SkullKeep » 04 dub 2019, 19:20

No ja to nastavuju pomoci PC programu skrz BT modul. Jinak dobry hodiny.
:twisted: :?: :arrow: :geek: P. Q. M.

commar
Příspěvky: 31
Registrován: 26 úno 2019, 15:20

Re: RTC hodiny

Příspěvek od commar » 05 dub 2019, 22:50

U mě na stole "tiká" tenhle bastl, zatím jen na desce, ve složení Nano+SSD1306+DS3231.
Program je dle zive.cz a upravený k mému obrazu.
hodiny.jpg

8BB76E1
Příspěvky: 42
Registrován: 11 lis 2018, 12:01
Bydliště: 大阪府

Re: RTC hodiny

Příspěvek od 8BB76E1 » 06 dub 2019, 01:39

prototyp hodinek.
v podstatě celý program mi psal někdo tady z fóra. já si jen dopisoval jiný sleep mód.
hardware jsem dělal sám. (pcb je od kolegů z číny) ^_^

už mám ale vylepšenou verzi, kterou jsem zatím ještě nesestavil.
Přílohy
DSC_1148.JPG

petan
Příspěvky: 358
Registrován: 23 črc 2017, 10:19
Kontaktovat uživatele:

Re: RTC hodiny

Příspěvek od petan » 06 dub 2019, 15:36

Já jsem dělal tyhle hodiny https://arduino-forum.cz/viewtopic.php? ... bfe0f245df
Zrovna dělám na aktualizaci sw. Už to umí zobrazovat datum, čas a teplotu (RTC modulu). Ještě dělám nějaký drobný úpravy. Komplet se to nastavuje tlačítky, nebo pomocí serial terminálu (odesílání příkazu jako např H13 M10 B05 F04 = čas 13:10, podsvětlení na úroveň 5, font 4)

8BB76E1, ty hodinky jsou pěkný ;)

Obrázek

AstroMiK
Příspěvky: 657
Registrován: 08 pro 2017, 19:05

Re: RTC hodiny

Příspěvek od AstroMiK » 06 dub 2019, 19:59

Já jsem zatím ve fázi vývoje.
Hodiny už sice fungují (DS3231) a nastavují se přes dotykový displej (Nextion), ale ve výsledku by to měla být hlavně meteostanice - a tam mám ještě nějaké nedostatky...

Na závěr k tomu vymyslím i pořádný plošňák. Teď to mám splácané na plošňáku z původní meteostanice : http://meteo.astromik.org/
hodiny.jpg

Uživatelský avatar
SkullKeep
Příspěvky: 317
Registrován: 23 srp 2017, 18:51
Bydliště: Brno
Kontaktovat uživatele:

Re: RTC hodiny

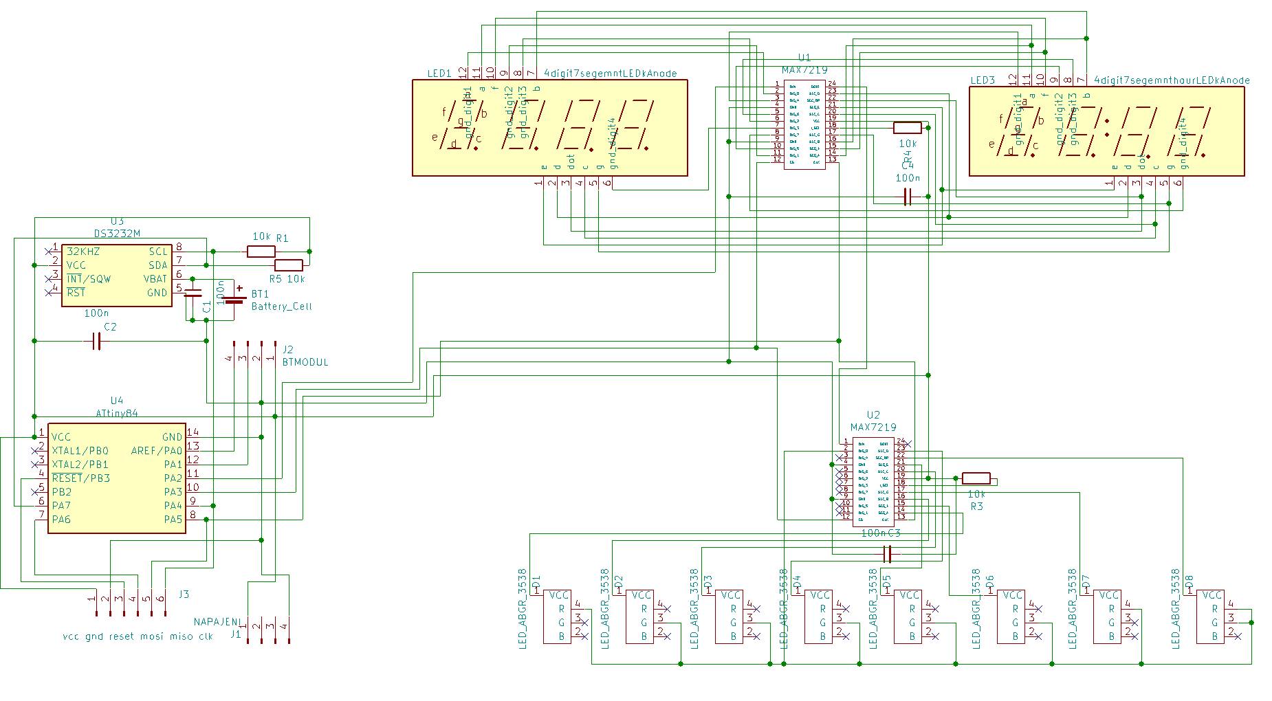
Příspěvek od SkullKeep » 28 dub 2019, 18:43

Teď dělám na RTC hodinách s ukazatelem času a datumu, navíc je tam den v týdnu. K tomu to pojede buď na adaptér(5V) nebo na baterii(3,7V).
hodiny.jpg
shemanab.jpg
:twisted: :?: :arrow: :geek: P. Q. M.

Uživatelský avatar
SkullKeep
Příspěvky: 317
Registrován: 23 srp 2017, 18:51
Bydliště: Brno
Kontaktovat uživatele:

Re: RTC hodiny

Příspěvek od SkullKeep » 03 kvě 2019, 12:45

Update: Velepšená verze napájecí desky.
nab.jpg
nab2.jpg
:twisted: :?: :arrow: :geek: P. Q. M.

8BB76E1
Příspěvky: 42
Registrován: 11 lis 2018, 12:01
Bydliště: 大阪府

Re: RTC hodiny

Příspěvek od 8BB76E1 » 10 kvě 2019, 09:39

8BB76E1 píše:
06 dub 2019, 01:39
už mám ale vylepšenou verzi, kterou jsem zatím ještě nesestavil.
tak tady je nová verze (černá) v porovnání se starou:
hodinky_comp.jpg

Odpovědět

Kdo je online

Uživatelé prohlížející si toto fórum: Žádní registrovaní uživatelé a 1 host