Automaticky vratny - Ducharina (nekdy jde, nekdy nejde)

Odpovědět
Ni3mm4nd
Příspěvky: 3
Registrován: 16 čer 2022, 18:27

Automaticky vratny - Ducharina (nekdy jde, nekdy nejde)

Příspěvek od Ni3mm4nd » 16 čer 2022, 19:33

Zdravim

rozhodl jsem se realizovat jeden projekt (v ramci dobrovolnosti pro obec ve ktere ziji - Stritez u Ceskeho Tesina) a potreboval bych, aby HW stranka byla stabilnejsi nez je ted.
vratny-na-zdi.jpeg
O projektu:
Potrebuji mit prehled o navsteve hriste (aby obci neutikaly penize). Rozhodl jsem se vyrobit neco jako automatickeho "vratneho".
Vyrobil jsem zatim vse sam (jsem programator) - backend (databaze s API), frontend (webxicht - https://dvernik.kadlec.cloud) a HW postaveny na NodeMCU ("vratny").
Jedina vec, ve ktere hooodne plavu, je prave vyroba toho hardwaroveho "vratneho".

Fungovat by mel tak, ze clovek prijde ke krabicce, zada sve udaje (a pokud je vsechno OK), vratny mu vyda klic. Pri odchodu vrati klic a pipne si odchod.

Video s pouzivanim je zde: https://youtu.be/PakJU_5tpkQ

Problem je, ze je krabicka velice nespolehliva.

Priznaky:
1. Nekdy se po zapnuti "nic nestane". Po opetovnem vypnuti a zapnuti je to jiz OK. Jako kdyby pri prvnim zapnutim (kdyz to treba dlouho nikdo nezapne) nekde nedosel proud...
2. Nekdy nefunguje tlacitko "0". Po restartu (zapnout/vypnout) se to vetsinou spravi.
3. Celkove "vytuhnuti". Obrazovka zustane svitit (sice trochu meni intenzitu svetla - jako ze problikava) ale celkove je to "mrtve". Musi se zase zapnout a vypnout.
4. Posledni dobou ma nalady a nechce se zapnout ani na Xty pokus. Musi se tomu nechat cas a pak jde zapnout...


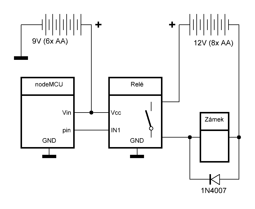
Prikladam ilustracni obrazek meho "zapojeni". Baterie ani zamek neodpovidaji realite.
vratny-zapojeni.png

Pomooooooooooc
Od mistniho guru Oldricha Horacka jsem dostal odpoved:
Osobně bych to viděl na nějaký problém s rušením nebo v souvislosti s napájením, zemní smyčky, nesprávné zemnění, blokování indukční nebo kapacitní zátěže a podobně, to znamená trochu duchařina. :)

Jelikoz nemam zadne elektrotechnicke vzdelani (ale vzdy se rad neco priucim) tak vubec netusim, jak takove veci odhalit. Pokud bude nekdo tak hodny a ochotny se mnou ztratit par chvil i drobnou radou, byl bych nesmirne rad!J

Mockrat dekuji a bastleni zdar!

PS: Kdyby tady byl nekdo schopny kdo by mi navrhnul i lepsi krabicku tak by mi to jiste taky pomohlo (vsunuti do sebe neni optimalni asi kvuli vlhkosti atd. ale lepe jsem to proste nevymyslel :roll: )

Tech stack:
Software:
Backend - SpringBoot & Java 11
DB - MongoDB Atlas (cloud)
Frontend - Vue.js

Hardware:
Tutorial - https://arduinogetstarted.com/tutorials ... enoid-lock
NodeMCU LoLin (https://www.gme.cz/nodemcu-esp8266-lua-wifi-v3-ch340)
Zamek (https://www.gme.cz/elektricky-magneticky-zamek-tfs-a21)
Rele (https://www.gme.cz/rele-modul-1x-10a-25 ... -oddelenim)
Klavesnice (https://www.gme.cz/membranova-klavesnice-3x4)
Display (https://www.gme.cz/i2c-bily-oled-displej-1-3-128x64)
Krabicka (Vytistena na 3D tiskarne z PLA)
Napajeni (8x AA Baterie - zamek, 6x AA Baterie - nodemcu)

Uživatelský avatar
jede_robot
Příspěvky: 53
Registrován: 15 led 2020, 21:18

Re: Automaticky vratny - Ducharina (nekdy jde, nekdy nejde)

Příspěvek od jede_robot » 17 čer 2022, 08:24

Tohle bude asi běh na dlouhou trať.
1. relé máš zapojené na výstup 3,3 V, ačkoli je určeno pro napájení 5 V, takže nejspíš někdy sepne a někdy ne. Relé samotné navíc odebírá při sepnutí tak veliký proud, že asi občas resetuje (nebo ještě hůř: zablokuje) nodeMCU. Navíc je to relé na tvém obrázku zapojeno nějak podivně - jinak, než relé z odkazu.
Pokud není relé sepnuté dlouho, pak bych ho zkusil napájet rovnou z těch šesti AA článků.
2. K elektromagnetickému zámku rozhodně musí být připojena odrušovací dioda, která zabraňuje vzniku napěťových špiček. Viz: http://mcu.cz/print.php?news.4841
.
nodeMCU + rele_01.GIF
.
Pokračování příště...
jrt
jederobot.cz, robodoupe.cz

martinius96
Příspěvky: 588
Registrován: 01 srp 2017, 19:29
Bydliště: Poprad
Kontaktovat uživatele:

Re: Automaticky vratny - Ducharina (nekdy jde, nekdy nejde)

Příspěvek od martinius96 » 17 čer 2022, 12:00

Ja si myslím, že mnoho problémov ti spôsobuje nedostatočné napájanie, ale aj NodeMCU samotné.
Najmä pri tom, že nenabootuje a niekedy ano.

ESP8266 má určité piny, ktoré sú pripojené k flash a pri spúšťaní mikrokontroléra musia byť v určitom stave (napr. HIGH), inak nenabootuje (preto ti to nabootuje až po resete). Keď to má byť vec dostupná a fungujúca 24/7, asi by som pouvažoval o zmene mikrokontroléra. Máš tam dosť periférii a využívaš v podstate všetky GPIO, aj tie neodporúčané. Taktiež využívaš piny UART-u a tak bez odpojenia klávesnice ani nenahráš nový program do mikrokontroléra v prípade potreby (to bude dosť otravné najmä vo fáze vývoja stále odpájať).
Stavy pinov v procese bootovania - GPIO na ESP8266 (GPIO16 = D0 atď.):
  • GPIO16: pin is high at BOOT
  • GPIO0: boot failure if pulled LOW
  • GPIO2: pin is high on BOOT, boot failure if pulled LOW
  • GPIO15: boot failure if pulled HIGH
  • GPIO3: pin is high at BOOT
  • GPIO1: pin is high at BOOT, boot failure if pulled LOW
  • GPIO10: pin is high at BOOT
  • GPIO9: pin is high at BOOT
Ak by si použil ESP32, máš mnoho dostupných pinov a taktiež aj pokročilejší režim spánku Deep Sleep (nižšia spotreba oproti ESP8266). Veľkosťou je ESP32 Devkit rovnaký, možno o niečo menší ako NodeMCU v3 Lolin. Prípadne môžeš použiť aj samostatný modul ESP32-WROOM-32. ESP32 by bol v každom smere tohto projektu lepší. Celý projekt by si si s ESP32 dokázal navrhnúť a vyskúšať napr. v simulátore Wokwi i bez hardvéru. Sú tam dostupné aj všetky komponenty, ktoré potrebuješ.

Ni3mm4nd
Příspěvky: 3
Registrován: 16 čer 2022, 18:27

Re: Automaticky vratny - Ducharina (nekdy jde, nekdy nejde)

Příspěvek od Ni3mm4nd » 17 čer 2022, 14:38

martinius96 píše:
17 čer 2022, 12:00
Ja si myslím, že mnoho problémov ti spôsobuje nedostatočné napájanie, ale aj NodeMCU samotné.
Najmä pri tom, že nenabootuje a niekedy ano.

ESP8266 má určité piny, ktoré sú pripojené k flash a pri spúšťaní mikrokontroléra musia byť v určitom stave (napr. HIGH), inak nenabootuje (preto ti to nabootuje až po resete). Keď to má byť vec dostupná a fungujúca 24/7, asi by som pouvažoval o zmene mikrokontroléra. Máš tam dosť periférii a využívaš v podstate všetky GPIO, aj tie neodporúčané. Taktiež využívaš piny UART-u a tak bez odpojenia klávesnice ani nenahráš nový program do mikrokontroléra v prípade potreby (to bude dosť otravné najmä vo fáze vývoja stále odpájať).
Stavy pinov v procese bootovania - GPIO na ESP8266 (GPIO16 = D0 atď.):
  • GPIO16: pin is high at BOOT
  • GPIO0: boot failure if pulled LOW
  • GPIO2: pin is high on BOOT, boot failure if pulled LOW
  • GPIO15: boot failure if pulled HIGH
  • GPIO3: pin is high at BOOT
  • GPIO1: pin is high at BOOT, boot failure if pulled LOW
  • GPIO10: pin is high at BOOT
  • GPIO9: pin is high at BOOT
Ak by si použil ESP32, máš mnoho dostupných pinov a taktiež aj pokročilejší režim spánku Deep Sleep (nižšia spotreba oproti ESP8266). Veľkosťou je ESP32 Devkit rovnaký, možno o niečo menší ako NodeMCU v3 Lolin. Prípadne môžeš použiť aj samostatný modul ESP32-WROOM-32. ESP32 by bol v každom smere tohto projektu lepší. Celý projekt by si si s ESP32 dokázal navrhnúť a vyskúšať napr. v simulátore Wokwi i bez hardvéru. Sú tam dostupné aj všetky komponenty, ktoré potrebuješ.


Super! Ano bylo to otravne, ale potreboval jsem opravdu vsechny dostupne Digital PINy :/. Bylo to trochu experimentovani kdy co funguje a kdy ne ... jeden pin neni dokonce ani zdokumentovany ze by byl pouzitelny, ale presto je ...

Jiz jsem objednal Arduino Uno Wifi R2 (https://www.hwkitchen.cz/arduino-uno-wifi-r2/) a taktez WeMos D1 (https://www.hwkitchen.cz/wemos-d1-uno-w ... ta-ch340g/) a budu se to snazit postavit na tomhle jeste jednou, znova a lepe! :-)

Snad to bude stacit tomu co mam v planu.

Deep sleep obchazime tim, ze se krabicka zapne, namacka, sebere klic a vypne. Presne jak je to ve videu. Preci jen to usetri hroooooomadu elektriny.

Provoz je tam tak jeden max 2 lidi za den takze to opravdu potrebuje jet tak 2 minuty denne.

Mam jeste otazku k venkovnimu pouziti. Mam krabicku nejak hermeticky uzavrit, nebo naopak provzdusnit a je to schopno proste takhle pracovat venku po dobu 5 mesicu od kvetna do zacatku rijna a nemusim mit obavy?

Jeste jednou moc dekuji, ze jsi potvrdil nektere me obavy.

Uživatelský avatar
kiRRow
Příspěvky: 1329
Registrován: 07 kvě 2019, 07:03
Bydliště: Opava

Re: Automaticky vratny - Ducharina (nekdy jde, nekdy nejde)

Příspěvek od kiRRow » 17 čer 2022, 14:53

Krabičku ideálně s krytím IP68, pokud na to bude svítit slunce, tak i stříšku ... pozor na nerovné zdi, voda velmi ráda teče za krabici a po vrutu, či kabeláži pak krásně vytopí krabičku, takže přetěsnit vruty, kabelový prostup, okénko s displejem utěsnit - doporučuji polyeuretan, silikon časem degraduje, tavná pistole to je jako by tam nebylo nic. Pokud budeš mít krytí menší, doporučuji do nejspodnějšího místa krabičky navrtat malinkou dírku pro odtok vody.

Podivné chování bych připisoval absenci odrušovací diody na elektro zámku a napájení. Stabilizátor na vývojové desce použít pouze pro napájení desky, nějaký elektrolit, který bude vyrovnávat výkyvy a před něj ještě blokovací diodu, který mu dovolí pustit proud pouze ve směru desky. Zbytek napájet svým vlastním stabilizátorem.

Ni3mm4nd
Příspěvky: 3
Registrován: 16 čer 2022, 18:27

Re: Automaticky vratny - Ducharina (nekdy jde, nekdy nejde)

Příspěvek od Ni3mm4nd » 29 čer 2022, 09:38

Vsem velice dekuji za rady.

Nakonec jsem to vyresil vymenou desky za Arduino Uno Wifi rev2 ze zdejsiho kramku a slape to skvele.

Jeste byla modifikovana i krabicka na snad lepsi vodeodolnejsi verzi vytistenou z ASA.

krabicka.obj.txt
umazat priponu .txt
(1.87 MiB) Staženo 332 x
krabicka-Part-1.obj.txt
umazat priponu .txt
(985.08 KiB) Staženo 358 x
krabicka-Part-2.obj.txt
umazat priponu .txt
(706.34 KiB) Staženo 291 x
krabicka-Part-3.obj.txt
umazat priponu .txt
(150.69 KiB) Staženo 291 x

Odpovědět

Kdo je online

Uživatelé prohlížející si toto fórum: Žádní registrovaní uživatelé a 2 hosti