Zdar.
Jak je to s WeMos D1 Mini a RF Wireless 433MHz?
U WeMos D1 Mini pišou provozví napětí 3,3V, tím padem ma piny na těch 3,3V a RF modul je na 5V. Nespalim piny na te D1?
http://www.mark-fink.de/2017-01-06-esp8 ... R4HAac0G_0
Každa ESP jede na 3,3V.
https://www.instructables.com/Using-an- ... -Using-43/
A naprudko zapijení je na netu spousta.
WeMos D1 Mini a RF Wireless 433MHz
Re: WeMos D1 Mini a RF Wireless 433MHz
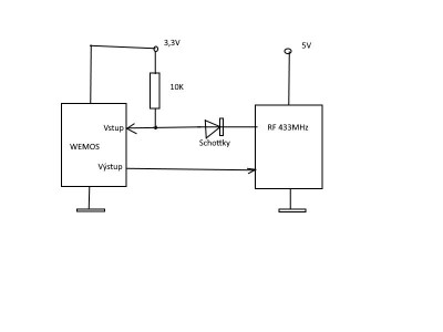
Záleží na logických úrovních výstupu toho RF. Dá se čekat, že půjdou k 5V a dřív nebo později WEMOS odejde. Už jsem něco podobného zažil. Doporučuji vstupy, do kterých půjdou z RF data či cokoliv jiného ošetřit rezistorem a Schottky diodou.
Nebo takhle
Nebo takhle
Re: WeMos D1 Mini a RF Wireless 433MHz
Kdybych našel na netu třeba jen 2 tutoriály, kde to zapojují naprudko, tak bych řek že to byli kokoti.
Ale je tam toho spousta.
https://www.youtube.com/watch?v=enS7pxxBJQo
Ale je tam toho spousta.
https://www.youtube.com/watch?v=enS7pxxBJQo
Re: WeMos D1 Mini a RF Wireless 433MHz
1) Netuším co je "naprudko", WeMos neznám, ale spousta věcí je "tolerantní" na log.vstupech k jinému napětí - to lze vyčíst v datasheetechLe-Ze píše: ↑17 srp 2021, 10:13Kdybych našel na netu třeba jen 2 tutoriály, kde to zapojují naprudko, tak bych řek že to byli kokoti.
Ale je tam toho spousta.
https://www.youtube.com/watch?v=enS7pxxBJQo
2) U projektů na webu, ale i na tomto foru (bohužel), je potřeba brát v úvahu, zda to dotyčný dlouhodobě provozuje. Pokud ne, je třeba si sám uzpůsobit/ohlídat, nejen převodníky logických úrovní, ale většinou i způsob napájení
UNO, NANO, Mikro, PRO mini, DUE, ESP32S2, RPi PICO
Pavel1TU
"Správně napsaný kod lze číst jako knihu"
Pavel1TU
"Správně napsaný kod lze číst jako knihu"
Re: WeMos D1 Mini a RF Wireless 433MHz
Na webu je kolem ESP8266 spousta pitomostí. Je to asi proto, že základy elektroniky zná jen málokdo a programuje spousta lidí. Ty největší nesmysly se šíří obvykle nejrychleji. Faktem je, že vstupy ESP8266 nesnášejí trvale napětí větší než je použitá velikost napájecího napětí a Ucc max. je myslím 3,6V. To říká výrobce a já si to ověřil, když jsem zapomněl přepnout výstupní úrovně na převodníku USB/RS232. ESP8266 fungoval snad měsíc a pak najednou frnk a byl v křemíkovém nebi.Le-Ze píše: ↑17 srp 2021, 10:13Kdybych našel na netu třeba jen 2 tutoriály, kde to zapojují naprudko, tak bych řek že to byli kokoti.
Ale je tam toho spousta.
https://www.youtube.com/watch?v=enS7pxxBJQo
Kdo je online
Uživatelé prohlížející si toto fórum: Žádní registrovaní uživatelé a 2 hosti