
Generátor zvuku vlaku
Pravidla fóra
Tohle subfórum je určeno pro konzultaci ucelených nápadů, popřípadě řešení komplexnějších projektů, které opravdu není možné rozdělit na menší části.
Většinu problémů jde rozdělit na menší a ptát se na ně v konkrétních subfórech.
Tohle subfórum je určeno pro konzultaci ucelených nápadů, popřípadě řešení komplexnějších projektů, které opravdu není možné rozdělit na menší části.
Většinu problémů jde rozdělit na menší a ptát se na ně v konkrétních subfórech.
Generátor zvuku vlaku
Zdar všichni. Potřeboval bych zkontrolovat jestli jsem předělal schéma z webu Train sound genrator. Z toho tam je obrázek zapojení
a já si to předělal na toto schéma.Moje schéma
Nejsem si jist jestli tam nemám chybu. Potreboval bych to do dětské krabičky se zvukama.





Re: Generátor zvuku vlaku
Ještě to nemám zkontrolované všechno, ale jsou tam nesrovnalosti,
Viz příloha:
Viz příloha:
Re: Generátor zvuku vlaku
Tak asi hotovo:
Problémy označeny světle zeleně. Popis pod schématem.
Problémy označeny světle zeleně. Popis pod schématem.
Re: Generátor zvuku vlaku
Díky mrknu na to. A ten výstup mám přes zesilovač, který vím ,že funguje a uvidíme jak to půjde s ním v reálu.




Re: Generátor zvuku vlaku
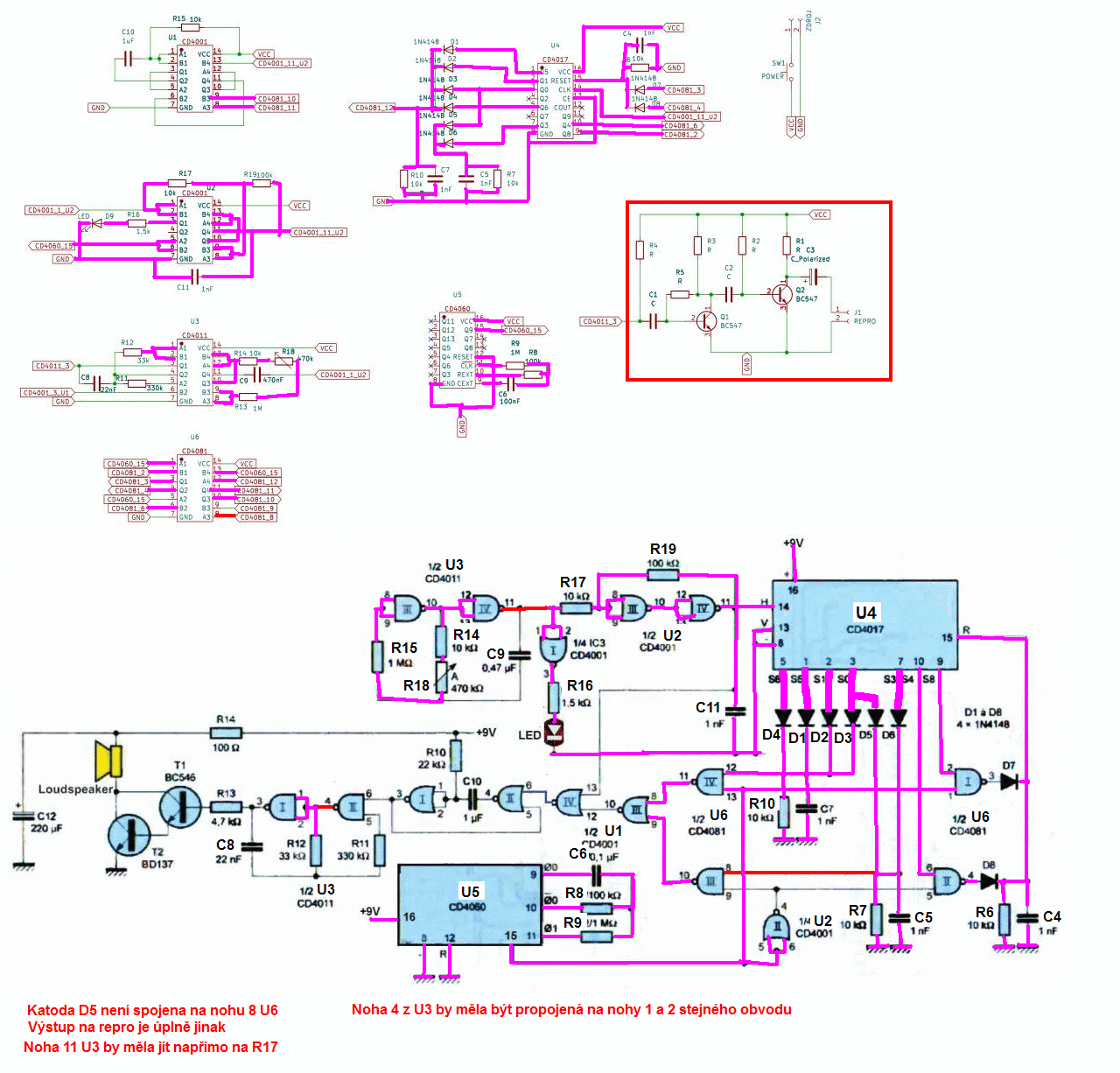
Ještě to není ono:
Noha č. 11 na U3 by měla vést na C9 - to je v pořádku, ale zároveň by měla ještě vést na "CD4001_1_U2" a to už tam nemáš.
Druhá strana toho C9 by měla vést jen na R18 a R13. Tobě ale vede ještě zároveň na "CD4001_1_U2".
Katody D5 a D6 mají vést na nohu č.8 obvodu CD4081.
Původně ti to nevedlo nikam, ale nově si to zapojil na nohu č. 6 obvodu CD4081 ("CD4081_6").
Jinak asi dobrý.
Noha č. 11 na U3 by měla vést na C9 - to je v pořádku, ale zároveň by měla ještě vést na "CD4001_1_U2" a to už tam nemáš.
Druhá strana toho C9 by měla vést jen na R18 a R13. Tobě ale vede ještě zároveň na "CD4001_1_U2".
Katody D5 a D6 mají vést na nohu č.8 obvodu CD4081.
Původně ti to nevedlo nikam, ale nově si to zapojil na nohu č. 6 obvodu CD4081 ("CD4081_6").
Jinak asi dobrý.
Re: Generátor zvuku vlaku
S tím bych se nedělal a koupil digitální záznamník skutečného zvuku jakékoliv lokomotivy za pár babek např. Zvukový záznamník ISD1820 s mikrofonem a reproduktorem
.
Zvuky lokomotiv si stáhneš zde
.

Zvuky lokomotiv si stáhneš zde

Re: Generátor zvuku vlaku
Toto mě taky napadlo, ale tohle je aspoň výzva to udělat a pak upravit.Caster píše: ↑16 kvě 2024, 22:28S tím bych se nedělal a koupil digitální záznamník skutečného zvuku jakékoliv lokomotivy za pár babek např. Zvukový záznamník ISD1820 s mikrofonem a reproduktorem.
Zvuky lokomotiv si stáhneš zde.




Re: Generátor zvuku vlaku
Máš recht toto mi uteklo. Opraveno.AstroMiK píše: ↑16 kvě 2024, 21:10Ještě to není ono:
Noha č. 11 na U3 by měla vést na C9 - to je v pořádku, ale zároveň by měla ještě vést na "CD4001_1_U2" a to už tam nemáš.
Druhá strana toho C9 by měla vést jen na R18 a R13. Tobě ale vede ještě zároveň na "CD4001_1_U2".
Katody D5 a D6 mají vést na nohu č.8 obvodu CD4081.
Původně ti to nevedlo nikam, ale nově si to zapojil na nohu č. 6 obvodu CD4081 ("CD4081_6").
Jinak asi dobrý.




Re: Generátor zvuku vlaku
Další tip na DFPlayer Mini MP3 Player For Arduino
.

Kdo je online
Uživatelé prohlížející si toto fórum: Žádní registrovaní uživatelé a 1 host