Arduino pro ovládání 12 V motorku
Re: Arduino pro ovládání 12 V motorku
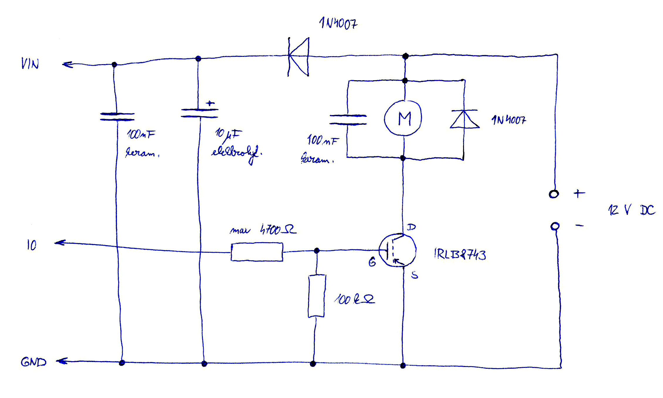
Tak jak máš u motoru tu flyback diodu, tak by tam měl být ještě keramický kondenzátor cca 100nF. Motory jsou zdroje rušení, je třeba ho odfiltrovat. 
Co nejblíže VIN a GND by měl být zapojen elektrolytický kondenzátor 10uF a keramický 100nF. Jsou tam dva, protože každý filtruje jinačí frekvenci rušení.
Mezi + motoru a těmi kondenzátory u VIN musí být dioda, aby motor při rozběhu bral proud ze zdroje a ne z těch filtrovacích kondenzátorů - ty jsou tam také i proto, aby pomohli arduinu překonat pokles napětí na zdroji při spuštění motoru.
Bez tohoto se budeš velmi podivovat nad náhodnými chybami při startu a běhu motoru. Doběh motoru ti řeší ta flyback dioda.
			
			
									
									
						Co nejblíže VIN a GND by měl být zapojen elektrolytický kondenzátor 10uF a keramický 100nF. Jsou tam dva, protože každý filtruje jinačí frekvenci rušení.
Mezi + motoru a těmi kondenzátory u VIN musí být dioda, aby motor při rozběhu bral proud ze zdroje a ne z těch filtrovacích kondenzátorů - ty jsou tam také i proto, aby pomohli arduinu překonat pokles napětí na zdroji při spuštění motoru.
Bez tohoto se budeš velmi podivovat nad náhodnými chybami při startu a běhu motoru. Doběh motoru ti řeší ta flyback dioda.
Re: Arduino pro ovládání 12 V motorku
Ano. Jen ve skutečnosti ty dva u VIN a GND prohoď ... ten menší blíže VIN. Jinak ten odpor mezi G a GND slouží k tomu že když změníš pin na LOW, tak odvede zbývající náboj na G k zemi. Tím ten MOSFET zavřeš. Ale pokud bude odpor příliš nízký, tak při sepnutém stavu ti bude odebírat proud z toho pinu - já bych začal někde kolem 10kOhm. 330Ohm je tak na LEDku. Tech 330Ohm bych dal mezi G a pin arduina .... kdyby náhodou.
PS : hidopišská poznámka, elektrolytický kondenzátor má polaritu a ta se ve schématu značí + .... na MOSFETU se šipkou určuje jestli jde o P nebo N kanál .... ty chceš N
			
			
									
									
						PS : hidopišská poznámka, elektrolytický kondenzátor má polaritu a ta se ve schématu značí + .... na MOSFETU se šipkou určuje jestli jde o P nebo N kanál .... ty chceš N
Re: Arduino pro ovládání 12 V motorku
Jsem si to ještě jednou otevřel ... a musím konstatovat že můj učitel elektrotechniky by ti dal za 5, protože to je nefunkční schéma. Ten motor není připojen na 12VDC protože jsi zapoměl na puntík  
  
  ... nicméně mohu tě ujistit, že i kdyby tam ten puntík byl, dostal by jsi za 5 protože ta čárka není uplně dotažená až na -12VDC
 ... nicméně mohu tě ujistit, že i kdyby tam ten puntík byl, dostal by jsi za 5 protože ta čárka není uplně dotažená až na -12VDC  
  
  ... a ještě by tě to nechal půl hodinu hledat
 ... a ještě by tě to nechal půl hodinu hledat 
			
			
									
									
						 
  
  ... nicméně mohu tě ujistit, že i kdyby tam ten puntík byl, dostal by jsi za 5 protože ta čárka není uplně dotažená až na -12VDC
 ... nicméně mohu tě ujistit, že i kdyby tam ten puntík byl, dostal by jsi za 5 protože ta čárka není uplně dotažená až na -12VDC  
  
  ... a ještě by tě to nechal půl hodinu hledat
 ... a ještě by tě to nechal půl hodinu hledat 
Re: Arduino pro ovládání 12 V motorku
Neoznačit ve schématu uzly je opravdu hrubá chyba  
 
Na druhé straně, co bys chtěl v době, kdy nejvíc frčí schémata ve Fritzingu
			
			
									
									
						 
 Na druhé straně, co bys chtěl v době, kdy nejvíc frčí schémata ve Fritzingu

Re: Arduino pro ovládání 12 V motorku
Díky za připomínky, já se omlouvám, nejsem z oboru, ale je fakt, že ten uzel nahoře jsem tam zapomněl nakreslit, bylo to narychlo, stydím se   Krom toho 330Ohm rezistoru mám ještě 100k, takže tam asi patří ten, jen jsem je zaměnil. A jakou prosím vzít tu diodu, co je v nákresu úplně nahoře?
  Krom toho 330Ohm rezistoru mám ještě 100k, takže tam asi patří ten, jen jsem je zaměnil. A jakou prosím vzít tu diodu, co je v nákresu úplně nahoře?
			
			
									
									
						 Krom toho 330Ohm rezistoru mám ještě 100k, takže tam asi patří ten, jen jsem je zaměnil. A jakou prosím vzít tu diodu, co je v nákresu úplně nahoře?
  Krom toho 330Ohm rezistoru mám ještě 100k, takže tam asi patří ten, jen jsem je zaměnil. A jakou prosím vzít tu diodu, co je v nákresu úplně nahoře?Re: Arduino pro ovládání 12 V motorku
Může tam být cokoliv, klidně ta 1N4007.
Ještě můj názor na rezistor v Gate tranzistoru. Nešel bych výše než na cca 4K7 ohmů. Jeho úlohou je bránit otevření tranzistoru, když je řídící pin v třetím stavu, respektive jako input. Motorek generuje obvykle slušné rušení, ta jedna mA určitě není problém.
			
			
									
									
						Ještě můj názor na rezistor v Gate tranzistoru. Nešel bych výše než na cca 4K7 ohmů. Jeho úlohou je bránit otevření tranzistoru, když je řídící pin v třetím stavu, respektive jako input. Motorek generuje obvykle slušné rušení, ta jedna mA určitě není problém.
Re: Arduino pro ovládání 12 V motorku
Teď si nejsem úplně jistý, o který rezistor jde - trošku jsem to překreslil, tak snad jsem to pochopil správně a je to takto už ok  
			
							
			
									
									
						
Re: Arduino pro ovládání 12 V motorku
Ten odpor max 4700ohm je tam z důvodu (ano je správně umístěn), že pokud dojde na mosfetu ke zkratu mezi G a S, tak omezí proud který jde z toho pinu a tím ten pin ochrání. Jeho min hodnota je 330ohm (5/330=15mA). Jeho maximální hodnota je dána vlastnostmi mosfetu a tím druhým odporem mezi G a -12VDC, pokud ho zvolíš příliš velký, tak se ten mosfet neotevře úplně, začne na něm vznikat úbytek napětí a bude mnohem více topit.
Dioda opravdu jakákoliv, blokuje tomu motoru přístup k těm kondenzátorům u VIN, kde si spoříš energii pro případ krátkodobého výpadku při rozběhu motoru. Jako bonus ti bude chránit arduino proti přepólování zdroje.
Kondenzátor na motoru filtruje rušení které způsobuje komutátor motoru a vyrovnává proudový odběr ze zdroje.
Dioda na motoru slouží k tomu, že když odpojíš motor od napájení, tak se vlastně začne po dobu kdy dobíhá chovat jako generátor, generuje napětí v opačném směru a dioda ho vyzkratuje. Třeba cívka co je v relátku umí při odpojení 12V vygenerovat i 200V špičku v opačném směru což ti spolehlivě menší tranzistor prorazí. U motoru s komutátorem dojde k odpojení cívky 2x za jednu otočku.
Tak a máš absolutní minimum pro řízení motoru, regulaci otáček pomocí PWM.
			
			
									
									
						Dioda opravdu jakákoliv, blokuje tomu motoru přístup k těm kondenzátorům u VIN, kde si spoříš energii pro případ krátkodobého výpadku při rozběhu motoru. Jako bonus ti bude chránit arduino proti přepólování zdroje.
Kondenzátor na motoru filtruje rušení které způsobuje komutátor motoru a vyrovnává proudový odběr ze zdroje.
Dioda na motoru slouží k tomu, že když odpojíš motor od napájení, tak se vlastně začne po dobu kdy dobíhá chovat jako generátor, generuje napětí v opačném směru a dioda ho vyzkratuje. Třeba cívka co je v relátku umí při odpojení 12V vygenerovat i 200V špičku v opačném směru což ti spolehlivě menší tranzistor prorazí. U motoru s komutátorem dojde k odpojení cívky 2x za jednu otočku.
Tak a máš absolutní minimum pro řízení motoru, regulaci otáček pomocí PWM.
Re: Arduino pro ovládání 12 V motorku
Děkuji moc za všechny cenné rady a vysvětlení! Teď to ještě nějak seskládat  Dám pak vědět, zda se podařilo.
 Dám pak vědět, zda se podařilo.
			
			
									
									
						 Dám pak vědět, zda se podařilo.
 Dám pak vědět, zda se podařilo.Kdo je online
Uživatelé prohlížející si toto fórum: Žádní registrovaní uživatelé a 1 host

